EasyManua.ls Logo

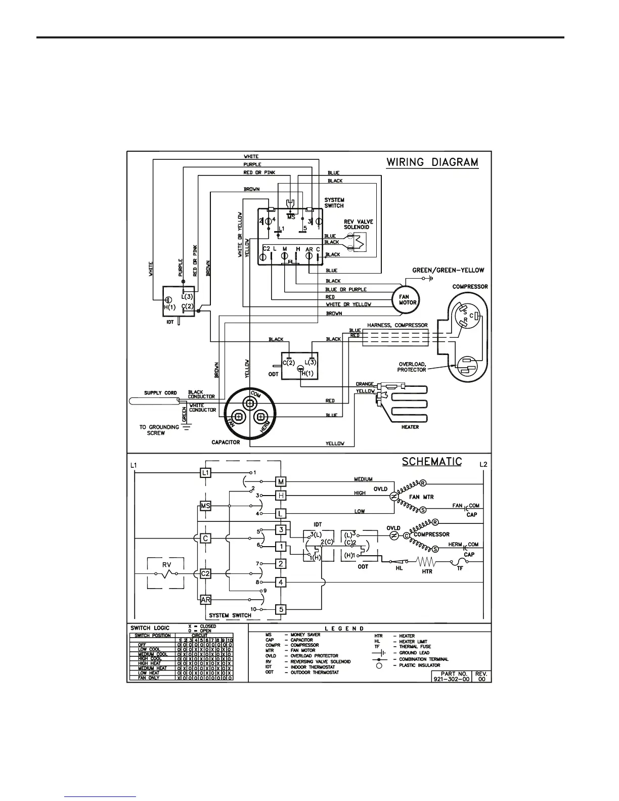
Friedrich WallMaster 2009 - WallMaster Wiring Diagram: Electromechanical Control (Heat Pump with Electric Heat Models)

Friedrich WallMaster 2009
60 pages
Print Icon
To Next Page IconTo Next Page
To Next Page IconTo Next Page
To Previous Page IconTo Previous Page
To Previous Page IconTo Previous Page
Loading...
44
WALLMASTER WIRING DIAGRAM
ELECTROMECHANICAL CONTROL
HEAT PUMP WITH ELECTRIC HEAT MODELS:
WY10B33A-C,A-D WY13B33A-C,A-D

Table of Contents

Related product manuals