EasyManua.ls Logo

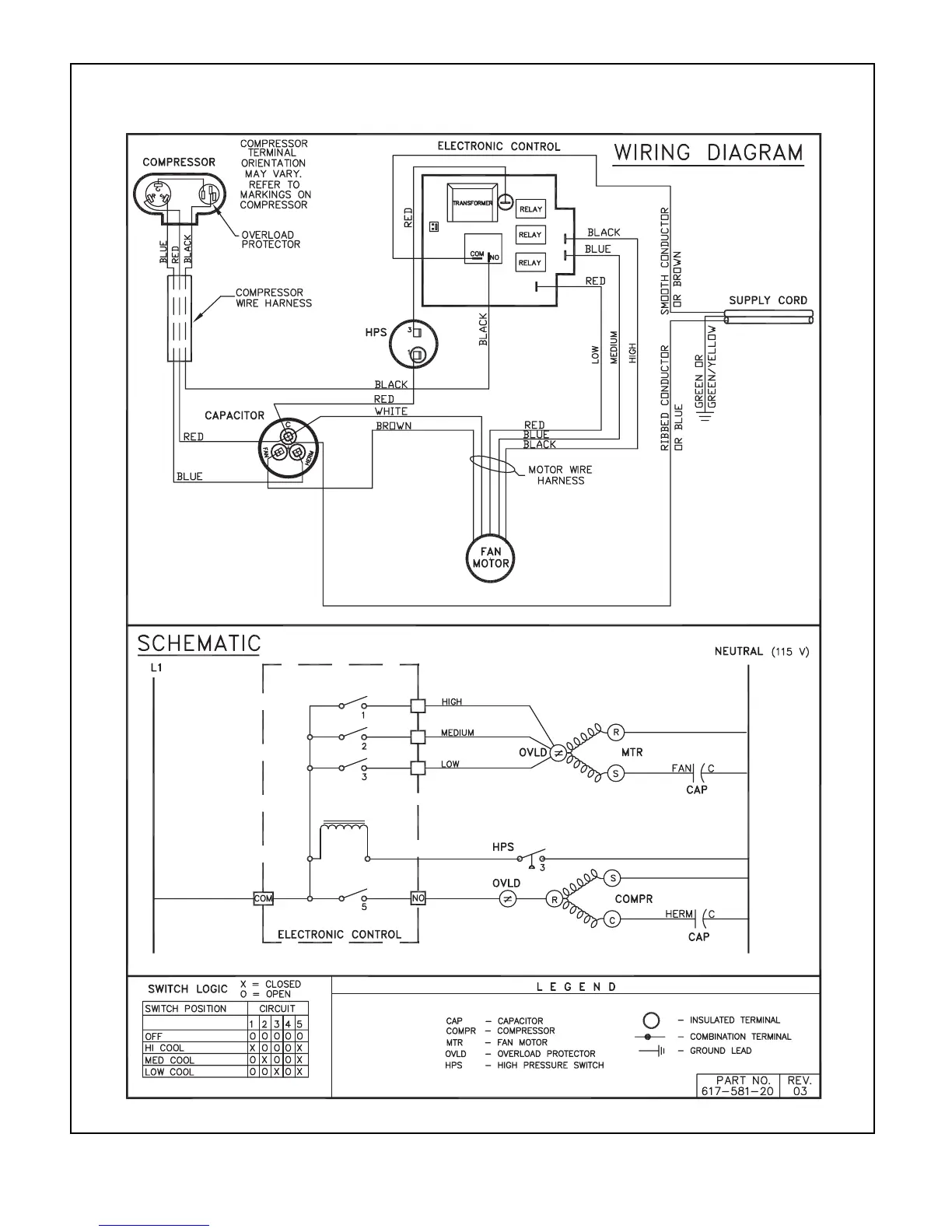
Friedrich WallMaster WS08B10A-C - Wiring Diagram: WS16 B30 A-C Model; WS16 B30 A-C Wiring Diagram Details; WS16 B30 A-C Schematic and Legend

Friedrich WallMaster WS08B10A-C
30 pages
Print Icon
To Next Page IconTo Next Page
To Next Page IconTo Next Page
To Previous Page IconTo Previous Page
To Previous Page IconTo Previous Page
Loading...
22
WIRING DIAGRAM: MODELS WS16B30A-C

Related product manuals