EasyManua.ls Logo

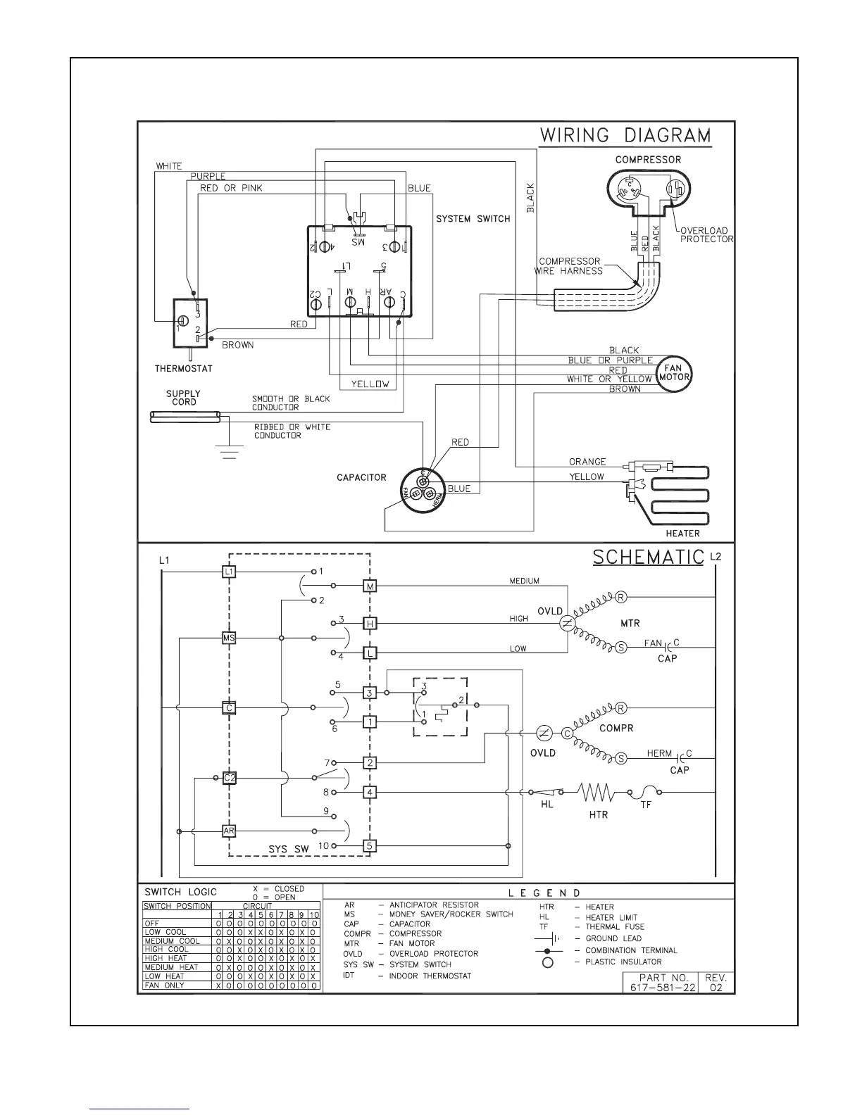
Friedrich WallMaster WS08B10A-C - Wiring Diagram: WE10 B33 A-B, WE13 B33 B-B Models; WE Series Wiring Diagram Details; WE Series Schematic and Legend

Friedrich WallMaster WS08B10A-C
30 pages
Print Icon
To Next Page IconTo Next Page
To Next Page IconTo Next Page
To Previous Page IconTo Previous Page
To Previous Page IconTo Previous Page
Loading...
23
WIRING DIAGRAM: MODELS WE10B33A-B, WE13B33B-B

Related product manuals