EasyManua.ls Logo

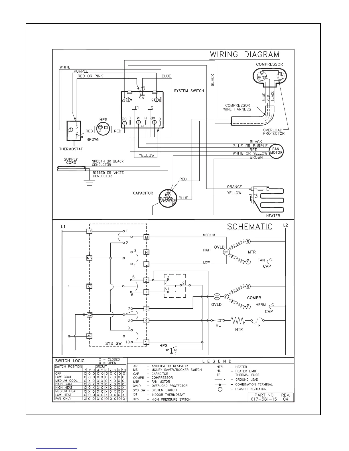
Friedrich WallMaster WS08B10A-C - Wiring Diagram: WE16 B33 A-B Model; WE16 B33 A-B Wiring Diagram Details; WE16 B33 A-B Schematic and Legend

Friedrich WallMaster WS08B10A-C
30 pages
Print Icon
To Next Page IconTo Next Page
To Next Page IconTo Next Page
To Previous Page IconTo Previous Page
To Previous Page IconTo Previous Page
Loading...
24
WIRING DIAGRAM: MODELS WE16B33A-B

Related product manuals