EasyManua.ls Logo

Friedrich WallMaster WS08C10A - Wiring Diagram: Cool with Electric Heat Models

Friedrich WallMaster WS08C10A
60 pages
Print Icon
To Next Page IconTo Next Page
To Next Page IconTo Next Page
To Previous Page IconTo Previous Page
To Previous Page IconTo Previous Page
Loading...
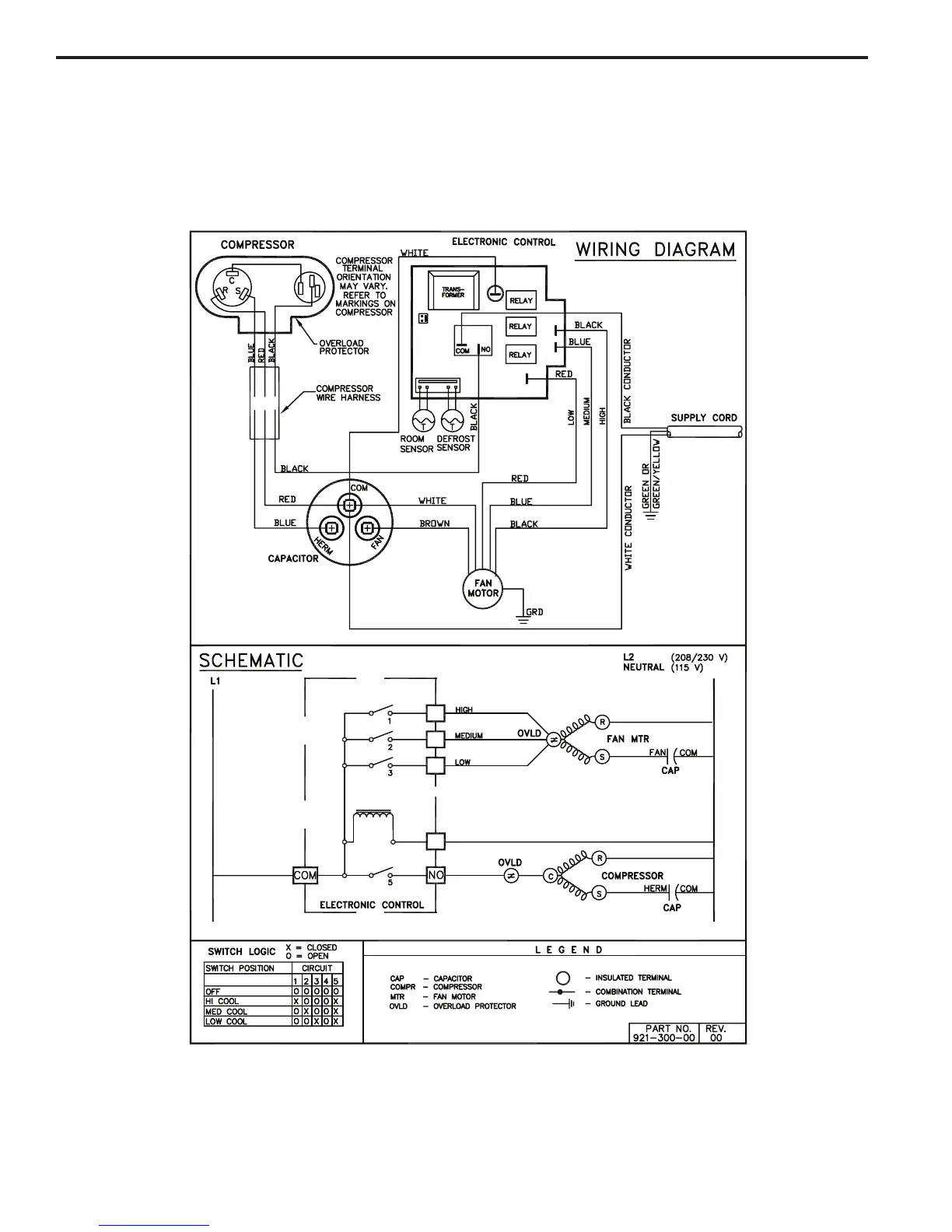
WALLMASTER WIRING DIAGRAM
ELECTRONIC CONTROL
COOL ONLY MODELS
42

Table of Contents

Related product manuals