EasyManua.ls Logo

Frigidaire FAS155J1A1 - Wiring Diagram

Frigidaire FAS155J1A1
11 pages
Print Icon
To Previous Page IconTo Previous Page
To Previous Page IconTo Previous Page
Loading...
FAS155J1A1
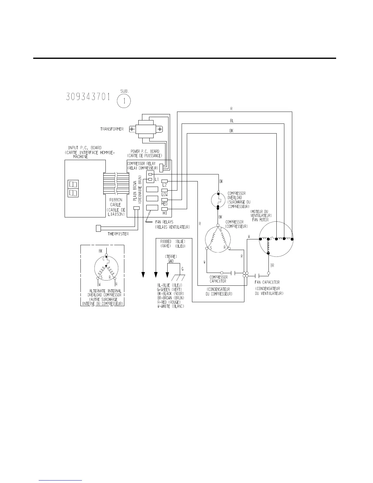
WIRING DIAGRAM
4/00 10

Related product manuals