EasyManua.ls Logo

Frigidaire FEF352D - Page 13

Frigidaire FEF352D
13 pages
Print Icon
To Previous Page IconTo Previous Page
To Previous Page IconTo Previous Page
Loading...
FEF352D Publication No: 5995417200
# Functional Parts
13 09/04
* Non-Illustrated Parts
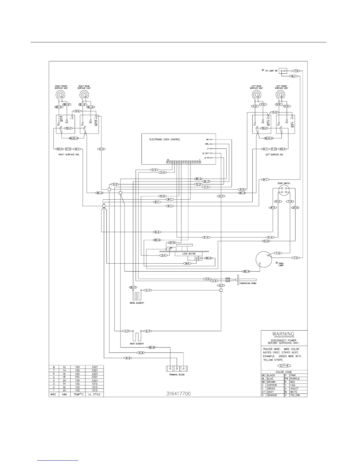
WIRING DIAGRAM

Related product manuals