EasyManua.ls Logo

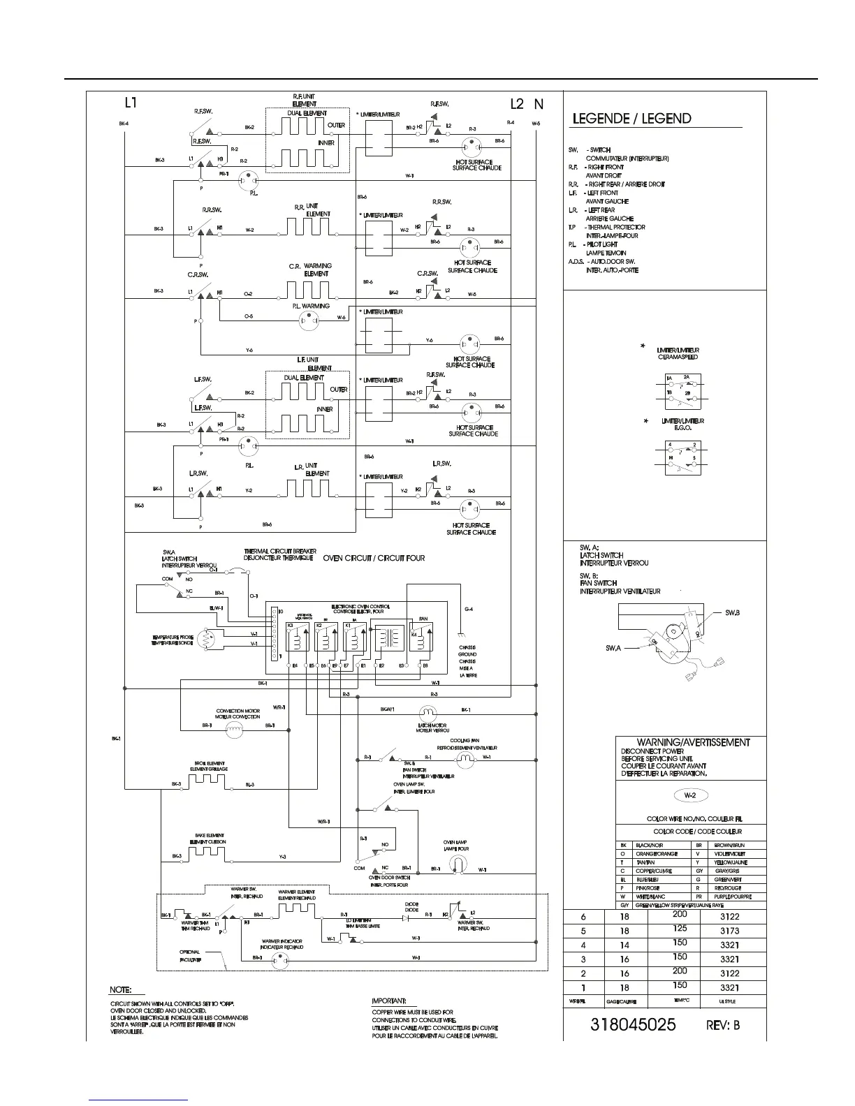
Frigidaire FES388WG - Wiring Diagram and Electrical Details; Wiring Schematic Diagram; Component Legend and Color Codes

Frigidaire FES388WG
10 pages
Print Icon
To Previous Page IconTo Previous Page
To Previous Page IconTo Previous Page
Loading...
Pub li ca tion No. FES388WGCA
5992325684
07/99 10
WIRING DIAGRAM

Related product manuals