EasyManua.ls Logo

Frigidaire FFGS3026TS - Page 32

Frigidaire FFGS3026TS
44 pages
Print Icon
To Next Page IconTo Next Page
To Next Page IconTo Next Page
To Previous Page IconTo Previous Page
To Previous Page IconTo Previous Page
Loading...
32
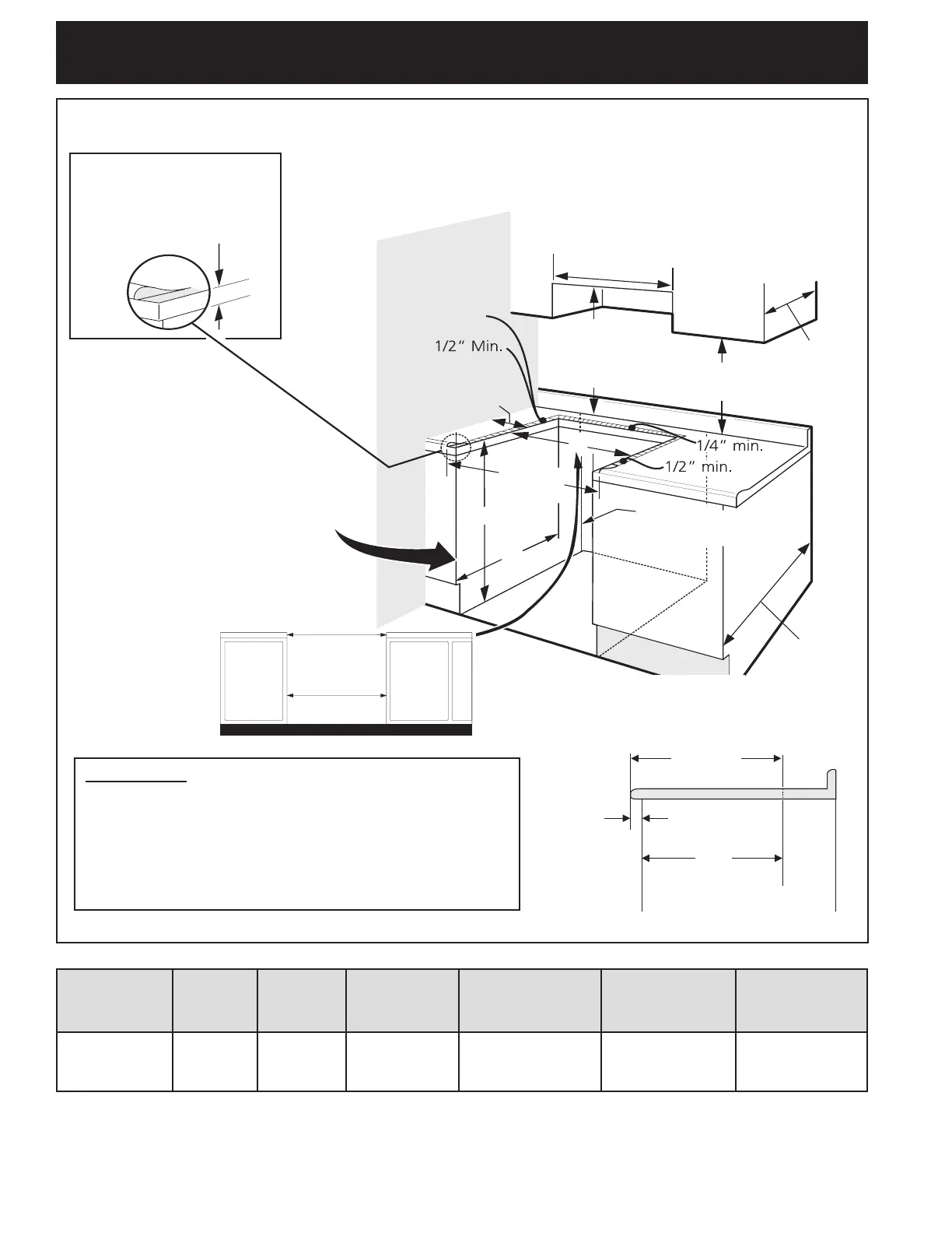
INSTRUCTIONS D'INSTALLATION POUR CUISINIÈRE ENCASTRABLE DE 30" À GAZ
(Modèlesavecbrûleursfermés)
NOTE:Leschémadecâblagedel'appareilestinclusàlandecefeuillet.
MUR
5" Min.
(12,7 cm Min.)
des deux côtés
18" Min.
(45,7 cm) Min.
30" Min.
(76,2 cm Min.)
Approx. 1 7/8"
(4,8 cm)
Installez les portes
de l'armoire à au
moins 1" (2,5 cm)
de l'ouverture.
F
G
E
31 1/2"
(80 cm)
Exact
13"
(33 cm)
Arasez le dessus
du comptoir à au
moins 31½" (80
cm) de largeur
pour l'appareil
1 ½" Max.
(3.8 cm Max.)
30" Min.
(76,2 cm Min.)
(voir page 31,
note 3)
24" Min.
(61 cm Min.)
Cessurfacesdoivent
être planes et à niveau
(régionhachurée).
A. HAUTEUR B.
LARGEUR
C. LARGEUR
DE LA
TABLE DE
CUISSON
D.
PROFONDEUR
À L'AVANT DE LA
CUISINIÈRE
E. LARGEUR DE
DÉCOUPAGE*
(Comptoir & armoire)*
F. PROFONDEUR
DE DÉCOUPAGE
G. HAUTEUR DU
DESSUS
DE COMPTOIR
35 7/8" (91,1 cm) -
36 5/8" (93 cm)
30" (76,2 cm) 31 1/2"
(80 cm)
28 5/16" (71,9 cm) 30±1/16" (76,2±0,15 cm) 21 3/4" (55,2 cm) Min.
22 1/8" (56,2 cm) Max
24" (61 cm) Min. avec
dosseret
36 5/8" (93 cm) Max.
35 7/8" (91,1 cm) Min.
IMPORTANT:
La largeur de
l'armoire et celle
du comptoir
doivent
correspondre
à la largeur de
découpage E.
E
E
Dimensions de l'armoire
1 1/8"
(2.86 cm)
DEVANT
DU
CABINET
F
Ref.
22 7/8" (58,1 cm) min.
23 1/4" (59,05 cm) max.
(voir page 31,
note 4)
*IMPORTANT: Pour une largeur de découpage (dimension
E) plus grande que 30 1/16" (76,4 cm) et pour éviter un bris
de vitre, au moment d'insérer l'appareil dans le comptoir
assurez-vous qu'il est bien centré dans l'ouverture. Levez les
pattes de nivellement au maximum, insérez l'appareil dans le
comptoir et ensuite nivelez-le. Assurez‑vousquel'appareil
est bien supporté par les pattes de nivellement et non
parlasurfacevitriée.

Table of Contents

Related product manuals