EasyManua.ls Logo

Frontier FM1017 - BELT AND BLADE SERVICING

Frontier FM1017
66 pages
Print Icon
To Next Page IconTo Next Page
To Next Page IconTo Next Page
To Previous Page IconTo Previous Page
To Previous Page IconTo Previous Page
Loading...
Owner Service 21
5WPMAN0183 (Rev. 4/25/2008)
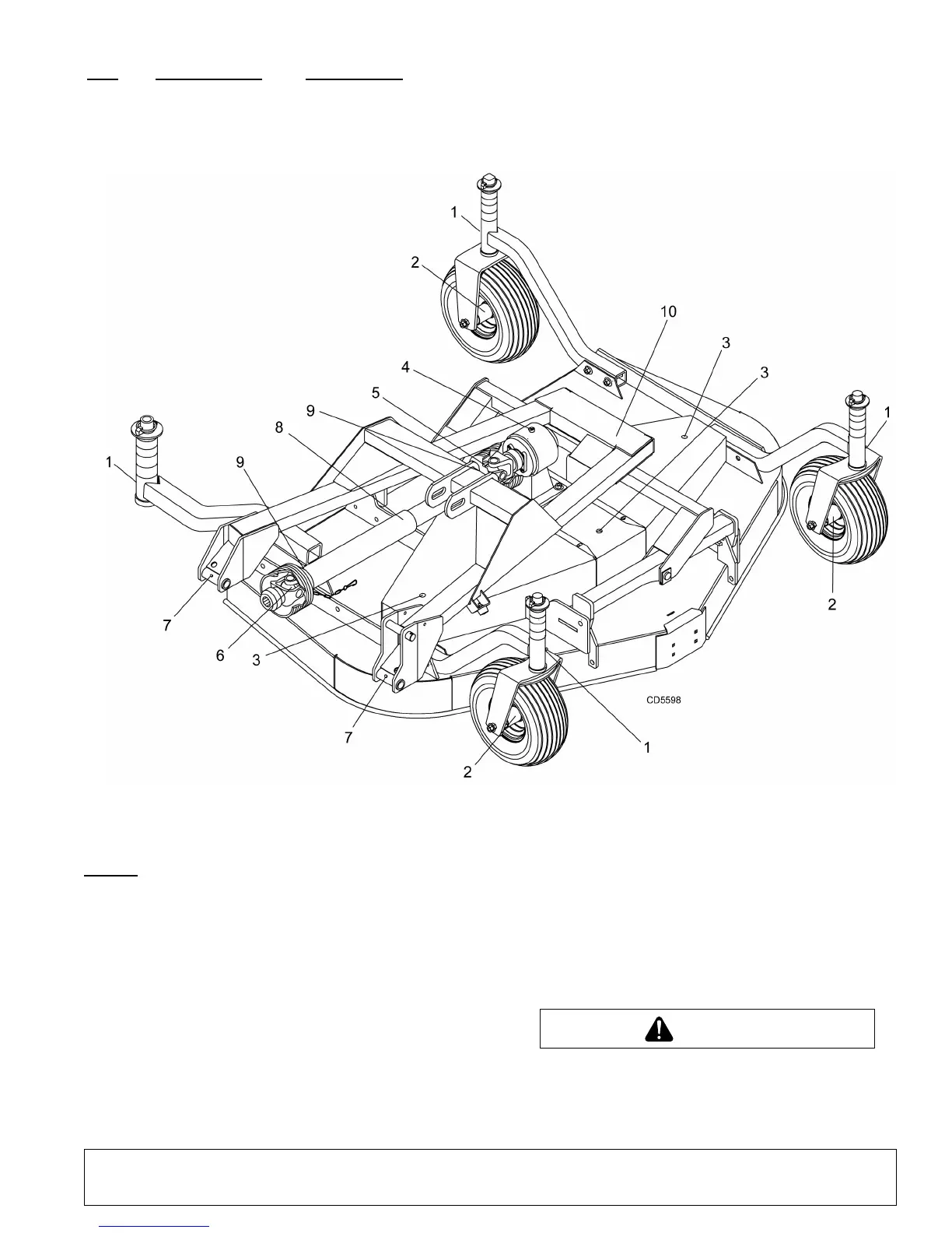
Figure 8. Lubrication Points - Deck
BELT
Belt Replacement
One of the major causes of belt failure is improper
installation. Before installing a new belt, check the fol-
lowing:
1. Check pulley shafts and bearings for wear.
2. Check pulley grooves for cleanliness.
3. Make sure spindles turn freely and without wobble.
If grooves require cleaning, moisten a cloth with a non-
flammable, non-toxic degreasing agent or commercial
detergent and water.
Avoid excessive force during installation. Do not use
tools to pry belt into pulley groove. Do not roll belt over
pulleys to install. This can cause hidden damage and
premature belt failure.
Belt Installation
WING DECK - FM1012
Use care when installing or removing belt from
spring-loaded idler. Springs store energy when
extended and, if released suddenly, can cause per-
sonal injury.
REF DESCRIPTION FREQUENCY
1 Caster Wheel Pivots 8 Hours
2 Caster Wheel Hubs 8 Hours
3 Blade Spindles 8 Hours
4 Gearbox (Fill 1/2 full with Check
SAE 80W or 90W gear Daily
lube)
5 Rear U-Joint 8 Hours
6 Front U-Joint 8 Hours
7Wing Pivot 8 Hours
8 Slip Joint Grease Fitting 8 Hours
9 Shield Bearing 8 Hours
10 Carrier Bearing 8 Hours
CAUTION
(Rev. 7/9/2008)

Related product manuals