EasyManua.ls Logo

Frontier GM1072 - Page 38

Frontier GM1072
48 pages
Print Icon
To Next Page IconTo Next Page
To Next Page IconTo Next Page
To Previous Page IconTo Previous Page
To Previous Page IconTo Previous Page
Loading...
38 Parts
5WPMAN0511 (Rev. 7/18/2008)
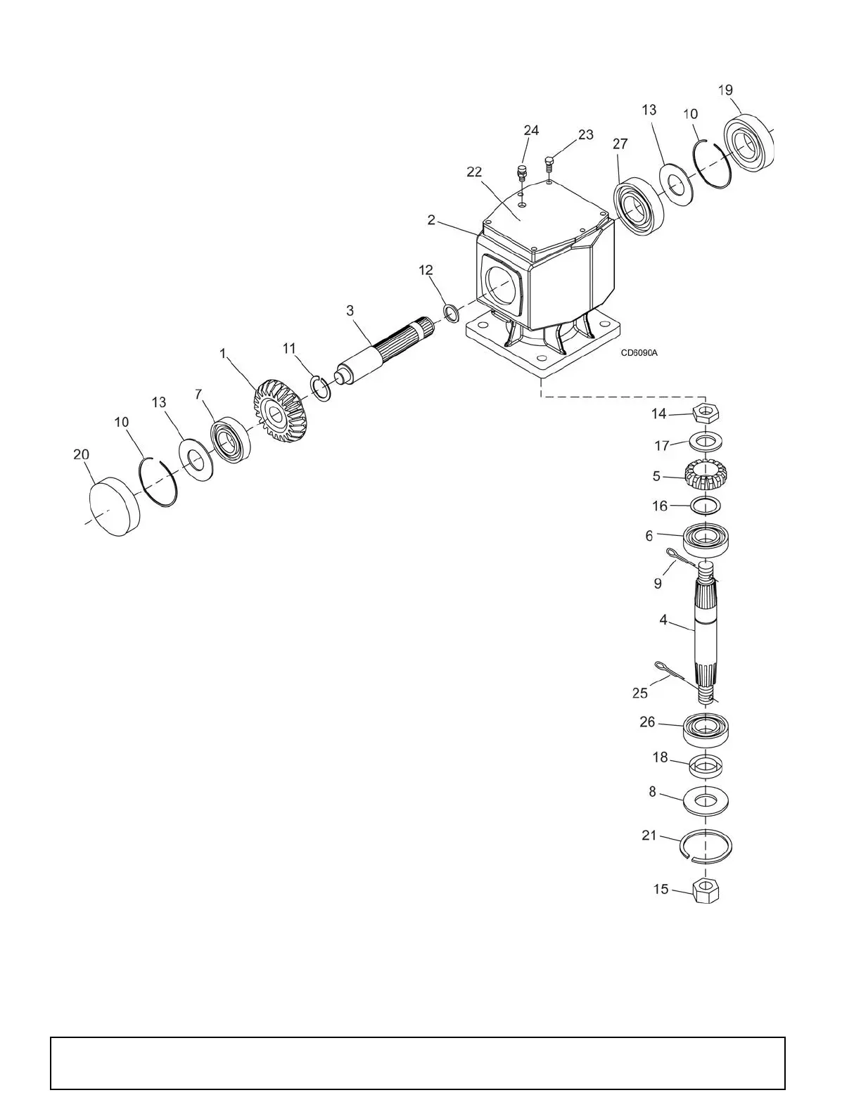
GM1060, GM1072 & GM1084 GEARBOX ASSEMBLY
REF PART QTY DESCRIPTION
A 5WP1002499 1 Gearbox Asy, Complete
1 5WP57458 1 Gear, Crown 25T M5.3
2 NSS 1 Gearbox Housing
3 5WP1005320 1 Shaft, Input 1-3/8 -6
4 5WP1005321 1 Shaft, Output 1-1/4
5 5WP57491 1 Pinion Gear 13T M5.3
6 5WP57476 1 Bearing Cup & Cone
7 5WP57462 1 Bearing Cup & Cone
8 5WP20888 1 Washer, 1.58 x 3.13 x .04
Protective Flat
9 * 1 Pin, Cotter B4 x 50
10 5WP57466 2 Snap Ring
11 5WP20895 1 Snap Ring, 45 mm
12 5WP57373 1 Spacer, 35.3 x 48 x 2.5
13 5WP57328 2 Kit, Shim 60.3 x 71.6
14 5WP57468 1 Nut, Castle
15 5WP51946 1 Nut, Castle M24 x 2
16 5WP57328 1 Kit, Shim 30.3 x 44
17 5WP57473 1 Washer, 21 x 37 x 3 mm Flat
18 5WP20900 1 Seal, Oil 40 x 80 x 12 mm
19 5WP57463 1 Seal, Oil 35 x 72 x 10 mm
20 5WP57374 1 Oil Cap
REF PART QTY DESCRIPTION
21 5WP20897 1 Snap Ring SB 81 Int
22 5WP57375 1 Cover, Top
23 * 6 Bolt, 8 mm x 14 mm
24 5WP57076 1 Plug, 1/2 Breather Level
25 * 1 Pin, Cotter 5 x 50
26 5WP57478 1 Bearing Cup & Cone
27 5WP20890 1 Ball Bearing
NSS Not Sold Separately
* Obtain Locally

Related product manuals