EasyManua.ls Logo

Fujitsu ABU36RSLX - Page 10

Fujitsu ABU36RSLX
25 pages
Print Icon
To Next Page IconTo Next Page
To Next Page IconTo Next Page
To Previous Page IconTo Previous Page
To Previous Page IconTo Previous Page
Loading...
600/450V x 4
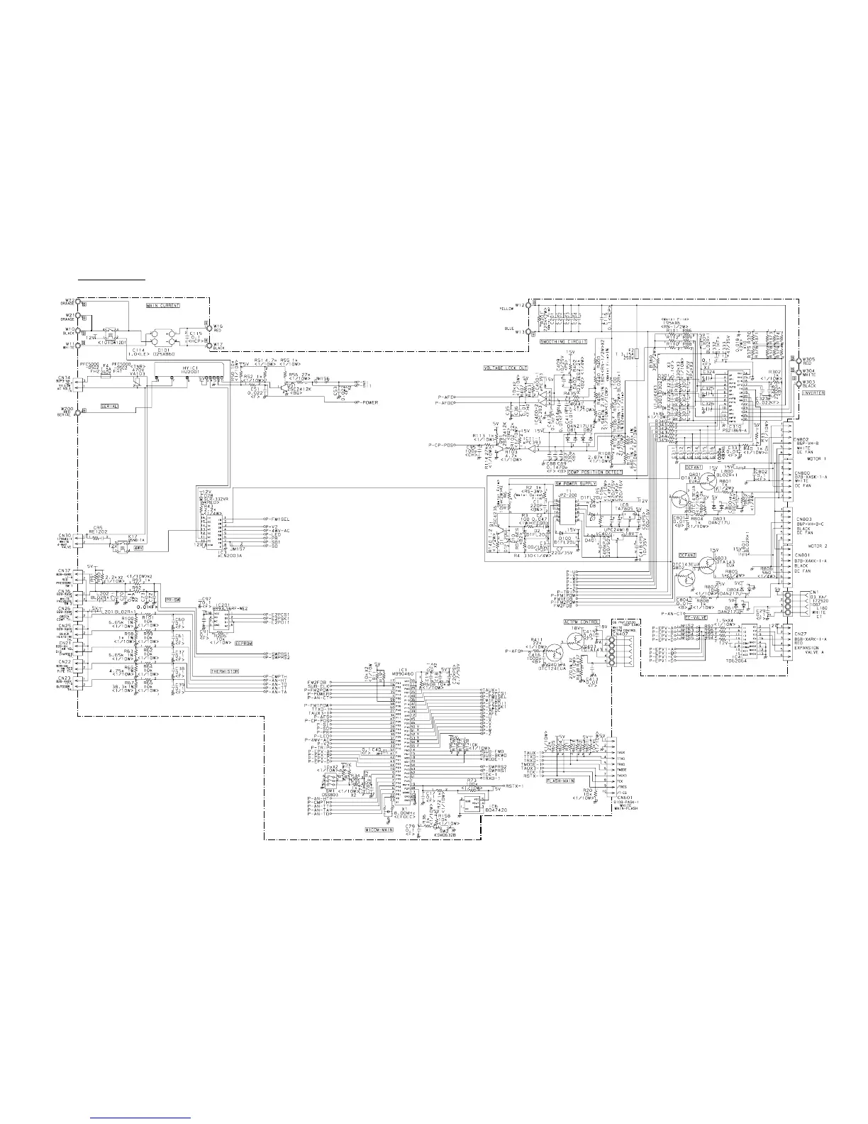
Model : AOU36RLX
CONTROLLER PCB ASSEMBLY ( MAIN PCB )
K04AW-0504HUE-C1
2005.12.28 9

Other manuals for Fujitsu ABU36RSLX

Related product manuals