EasyManua.ls Logo

Fujitsu AGYV09LAC - Page 120

Fujitsu AGYV09LAC
140 pages
Print Icon
To Next Page IconTo Next Page
To Next Page IconTo Next Page
To Previous Page IconTo Previous Page
To Previous Page IconTo Previous Page
Loading...
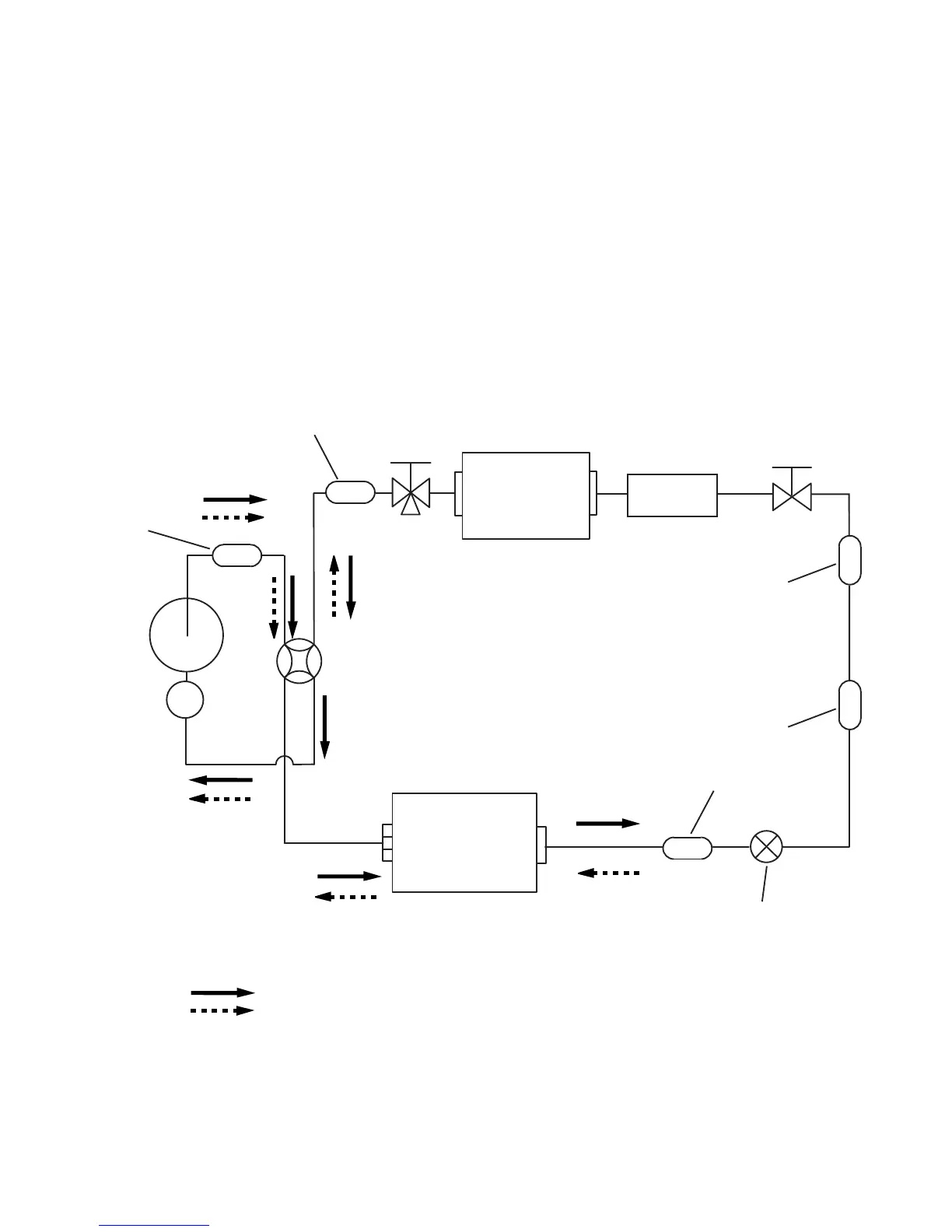
REFRIGERANT SYSTEM DIAGRAM
Liquid pipe : 6.35 mm
Gas pipe : 12.7 mm
Models :
AWYZ14LBC / AOYZ14LBC
AWYZ18LBC / AOYZ18LBC
2-Way Valve
Strainer
Strainer
Muffler
Muffler
Receiver
Heat exchanger B
( INDOOR )
3-Way Valve
4-Way Valve
Pulse motor valve
Heat exchanger
( INDOOR )
Heat exchanger
( OUTDOOR )
Accumulator
Compressor
Cooling
Heating
2005.12.26 3

Related product manuals