EasyManua.ls Logo

Fujitsu AMUG30LMAS - Page 46

Fujitsu AMUG30LMAS
200 pages
Print Icon
To Next Page IconTo Next Page
To Next Page IconTo Next Page
To Previous Page IconTo Previous Page
To Previous Page IconTo Previous Page
Loading...
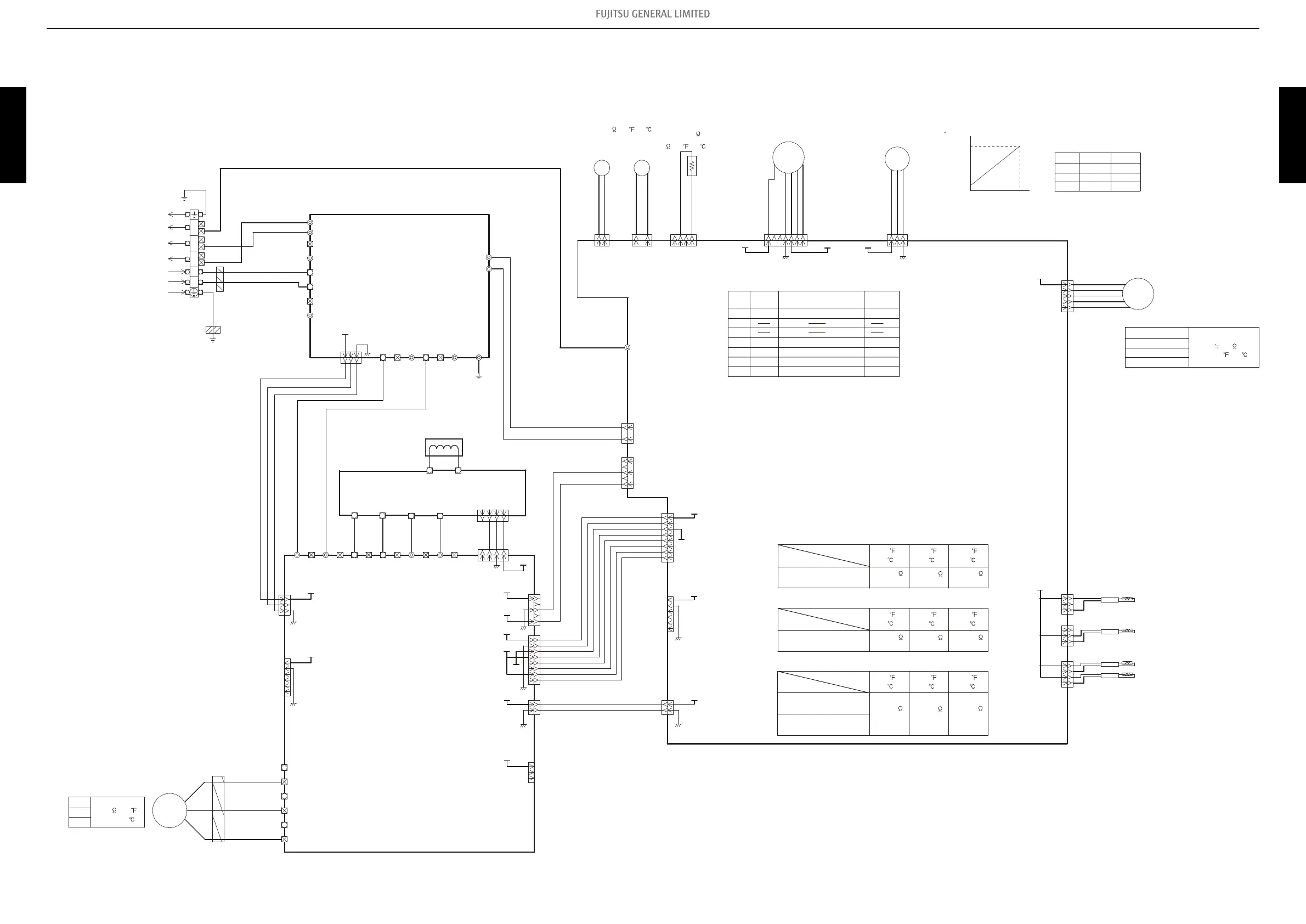
8-2. Models: AOUG36LMAS1 and AOUG48LMAS1
W504 L-OUT1
W505 N-OUT1
TM503NC
W501NC
TM501L-IN
TM502N-IN
TM504NC
W502NC
W506 L-OUT2
W507 N-OUT2
W503
E
CN501
2-18743-3
BLUE
TM507
NC
TM509
L-OUT
W508
NC
TM508
NC
TM510
N-OUT
W509
NC
UL1015
AWG16
GREEN
1
2
3
UL1015 AWG16 BLACK
UL1015 AWG16 WHITE
UL1015 AWG10 BLACK
UL1015 AWG10 WHITE
UL1015
AWG20
GREEN
3
2
1
L1
L2
INDOOR UNIT
UL1015
AWG10
GREEN
EMI FILTER
KRFC-13
2 TURNS
EMI FILTER
TRMH-31-20-15E
6 TURNS
UL1015 AWG20 RED
UL1430 AWG26 BLACK
UL1430 AWG26 WHITE
UL1430 AWG26 RED
UL1015
AWG10
BLACK
UL1015
AWG10
WHITE
UL1015
AWG10
RED
UL1015
AWG10
BLACK
UL1015
AWG10
YELLOW
UL1015
AWG10
BLUE
CHOKE COIL
30A 0.7mH
L1 L2
+IN -IN
P N
CN11
292175-4
W380
L-IN
TM382
NC
W381
N-IN
TM383
NC
TM390
NC
TM394
(+)
TM391
NC
TM395
(-)
W392
P
TM396
NC
TM397
NC
W393
N
CN395
B04B-PAKK-1
BLACK
4 1
4 1
RED
BLACK
WHITE
1
3
CN370
2-1871843-3
BLUE
CN350
B06B-PASK-1
WHITE
1
6
TM400
NC
TM403
U
TM401
NC
TM404
V
TM402
NC
TM405
W
EMI FILTER
TRM-47-27-15E-WE
2 TURNS
COMPRESSOR
UL3271 AWG12 BLACK
UL3271 AWG12 WHITE
UL3271 AWG12 RED
CN380
B3P5-VH-B-C
BLACK
CN320
B08B-PASK-1
WHITE
CN390
B02B-XASK-1-A
WHITE
CN360
B03B-PAKK-1
BLACK
1
5
1
8
1
2
1
3
UL1430 AWG26 WHITE
UL1430 AWG26 BLACK
UL1015 AWG20 BLUE
UL1015 AWG20 YELLOW
UL1430 AWG26 BROWN
UL1430 AWG26 RED
UL1430 AWG26 ORANGE
UL1430 AWG26 YELLOW
UL1430 AWG26 GREEN
UL1430 AWG26 BLUE
UL1430 AWG26 VIOLET
UL1430 AWG26 GRAY
UL1015 AWG20 BLACK
UL1015 AWG20 WHITE
UL3478 AWG20 BLACK
UL3478 AWG20 BLACK
UL3478 AWG20 BLUE
UL3478 AWG20 BLUE
UL3068 AWG18 WHITE
UL3068 AWG18 WHITE
1 1 12 2 4 1 7 1 3
UL3266 AWG22 RED
UL3266 AWG22 BLACK
UL3266 AWG22 WHITE
UL3266 AWG22 YELLOW
UL3266 AWG22 BROWN
AWG24 WHITE
AWG24 RED
AWG24 BLACK
CN202
B2P3-VH-B
WHITE
CN203
B2 ( 8.0 ) B-PSILE-A1
BLUE
CN205
B4P-VH-B
WHITE
CN243
B5 ( 7-2.3 ) B-XASK-1-A
WHITE
CN92
B03B-XASK-1-A
WHITE
CN111
B05B-PLISK-1
WHITE
1
5
1
3
1
3
1
4
CN61
B03B-PLISK-1
WHITE
CN62
B03B-PLIRK-1
RED
CN63
B04B-PASK-1
WHITE
W201
1
2
1
5
1
8
1
6
1
2
CN350
B06B-PASK-1
WHITE
CN281
B08B-PASK-1
WHITE
CN1
B06B-PASK-1
WHITE
CN271
B02B-XASK-1-A
WHITE
AWG26 BLUE
AWG26 ORANGE
AWG26 YELLOW
AWG26 WHITE
AWG26 RED
THERMISTOR ( OUTDOOR TEMP. )
THERMISTOR ( PIPE-OUT TEMP. )
THERMISTOR ( DISCHARGE TEMP. )
THERMISTOR ( COMPRESSOR TEMP. )
DC FAN MOTOR PRESSURE SENSOR
( HIGH PRESSURE )
BELT HEATER
28W AC230V
1,889
SOLENOID VALVE COIL
4WV
SV
PRES.
SENSOR
HI
FM
CM
EEV
CN251
B3P5-VH-B-C
BLACK
CN201
B2P ( 10.0 ) NV
WHITE
INVERTER ASSEMBLY
36 model: EZ-0193FHUE
48 model: EZ-0193EHUE
MAIN PCB
36 model: K15CG-1901HUE-C1
48 model: K15CG-1900HUE-C1
INVERTER PCB
K09CQ-1904HUE-TR1
FILTER PCB
K11DA-1900HUE-FL0
ACTPM
PM-704BSG
DC5V
DC5V-2
DC5V-2
DC5V-2
D
DC18V
A
DC15V-2
DC5V-2
-10V
DC15V-2
DC380V
DC18V
A
DC18V
DC15V-2
-10V
DC340V-2
DC15V-4
A
DC5V-2
DC5V
DC5V
FLASH
DC12V
4-WAY VALVE COIL
DC Resistance 2,085
(20 )
68
DC Resistance 2,085
(20 )
68
COMPRESSOR
U-V
V-W
U-W
Winding Resistance
0.432
( 20 )
68
EXPANSION VALVE COIL
1(Red) - 3(Blue)
1(Red) - 4(Orange)
1(Red) - 5(Yellow)
1(Red) - 6(White)
CN111 Expansion Valve Coil
46.0
Recommended Drive Condition
Unipolar Drive, 1-2 Phase Excitation.
Coil resistance
(20 )
68
1
3
4
5
6
Pin No.
Terminal
code
Vm
GND
Vcc
Vsp
FG
Function of terminal
Revolution pulse output
Speed control voltage input
Control power voltage input
GND
Motor power voltage input
Lead wire
color
Red
Black
White
Yellow
Brown
2
7
CN234 DC Fan Motor
Pin No.
Wiring and coloring
1
3
2
Signal Color
Vcc
Vout
GND
Red
White
Black
Characteristics of pressure sensor
4.5
5.0
0.5
0
Output [DCV]
Pressure [MPa]
Thermistor ( Compressor temp. )
168.60 k
62.55 k
40.01 k
0.36 V
0.86 V 1.23 V
Thermistor ( Discharge temp. )
CN63 Thermistor Characteristics.
Thermistor
Temperature
( 20 ) ( 30 )
( 0 )
32
68
86
Thermistor ( Outdoor temp. )
35.21 k
12.64 k
7.97 k
2.61 V
3.76 V 4.14 V
CN61 Thermistor Characteristics.
Thermistor
Temperature
( 20 ) ( 30 )
( 0 )
32
68
86
Thermistor ( Pipe-out temp. )
16.05 k
62.55 k
40.01 k
0.36 V
0.86 V 1.23 V
CN62 Thermistor Characteristics.
Thermistor
Temperature
( 20 ) ( 30 )
( 0 )
32
68
86
AC IN
VDC ( DC FAN )
MAIN - INV. COM.
18V
THERMISTOR ( HEATSINK TEMP. )
*not used
TEST
CURRENT SENSOR
POWER SOURCE
AC208/230V
60Hz
8-2. Models: AOUG36LMAS1 and AOUG48LMAS1 - (02-28) - 8. PC board diagrams
TECHNICAL DATA
AND PARTS LIST
TECHNICAL DATA
AND PARTS LIST

Table of Contents

Other manuals for Fujitsu AMUG30LMAS

Related product manuals