EasyManua.ls Logo

Fujitsu AOG25RNBL - Printed Circuit Board

Fujitsu AOG25RNBL
63 pages
Print Icon
To Next Page IconTo Next Page
To Next Page IconTo Next Page
To Previous Page IconTo Previous Page
To Previous Page IconTo Previous Page
Loading...
Model : ART30RLC
Model : AOT30RMBL
2003.05.08
14
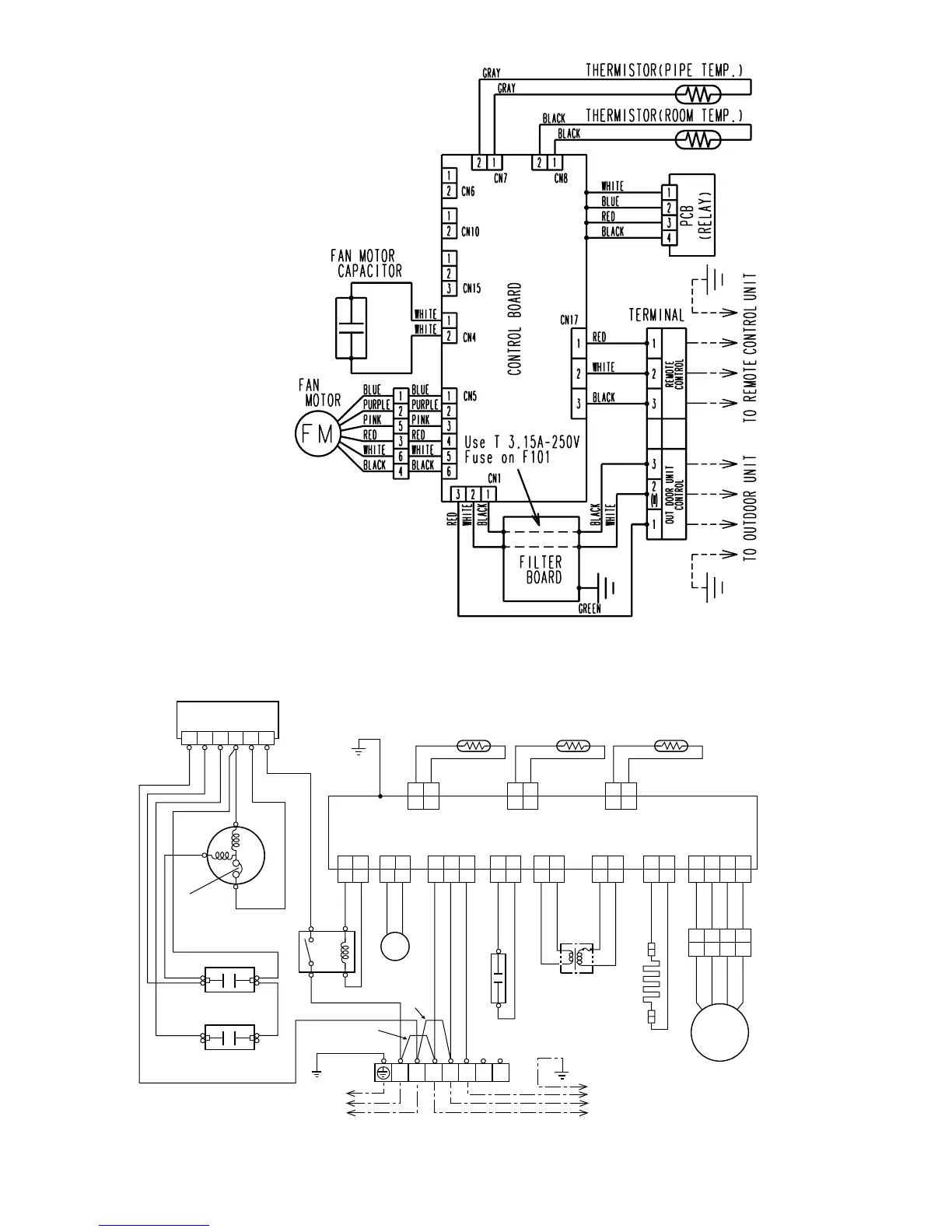
TRANSFORMER
SOLENOID
COIL
FAN MOTOR
CAPACITOR
MAIN RELAY
THERMISTOR
(PIPE TEMP.)
THERMISTOR
(OUTDOOR TEMP.) (DISCHARGE TEMP.)
THERMISTOR
GREEN
PURPLE
PURPLE
WHITE
YELLOW
YELLOW
BLACK
BLACK
BLUE
BLACK
BLACK
BLACK
BLACK
GRAY
GRAY
BROWN
BROWN
RED
RED
RED
WHITE
BLACK
BLACK
BLACK
BLUE
RED
WHITE
BLACK
BLUE
RED
RED
RED
WHITE
WHITE
CN15 CN9 CN1 CN4 CN3 CN2 CN5
CN11
E
CN12 CN13
FUSE
T 3.15A 250V
PRINTED CIRCUIT BOARD
12 12 12
12341212 1
FAN
MOTOR
4WV
TO INDOOR UNIT
TO POWER SUPPLY
NO
COM
START
CAPACITOR
COMPRESSOR
C
S
R
RED
RED
BLUE
GRAY
RED
WHITE
BLACK
BLACK
COMPRESSOR
SOFT STARTER
CAPACITOR
OVERLOAD
PROTECTOR
32456 1
BELT HEATER
TERMINAL
GREEN/YELLOW
L N 3
2
(N)
1
12
CN2
12121243
1
4
5
6

Related product manuals