EasyManua.ls Logo

Fujitsu AOTG12KMCA - 3. REFRIGERANT CIRCUIT

Fujitsu AOTG12KMCA
43 pages
Print Icon
To Next Page IconTo Next Page
To Next Page IconTo Next Page
To Previous Page IconTo Previous Page
To Previous Page IconTo Previous Page
Loading...
-
(
02 - 03
)
-
OUTDOOR UNIT
AOTG09-12KMCA
OUTDOOR UNIT
AOTG09-12KMCA
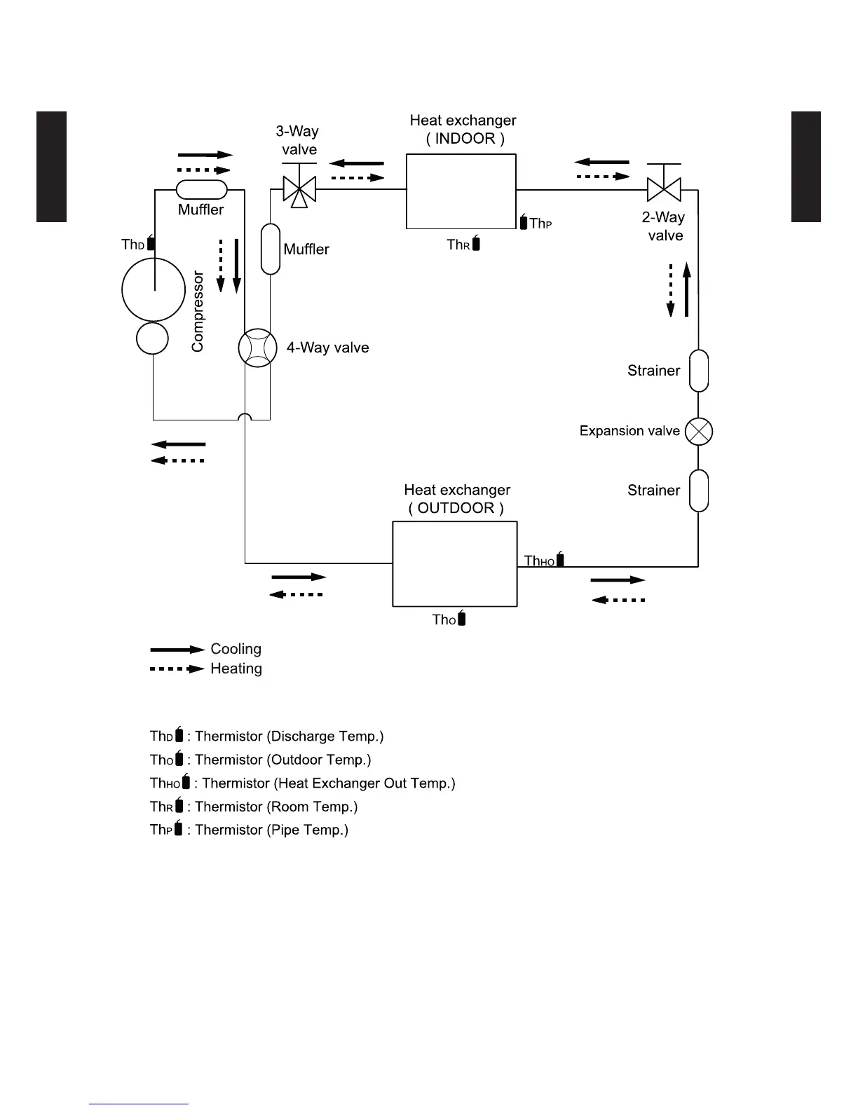
REFRIGERANT CIRCUIT3.
MODELS: AOTG09KMCA, AOTG12KMCA
Refrigerant pipe diameter
Liquid: 1/4" (6.35 mm)
Gas: 3/8" (9.52 mm)

Related product manuals