EasyManua.ls Logo

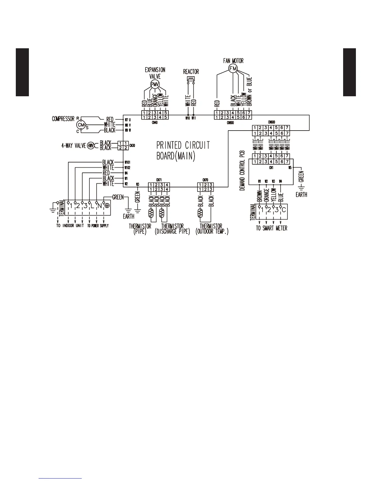
Fujitsu AOTG12KMCA - 4. WIRING DIAGRAMS

Fujitsu AOTG12KMCA
43 pages
Print Icon
To Next Page IconTo Next Page
To Next Page IconTo Next Page
To Previous Page IconTo Previous Page
To Previous Page IconTo Previous Page
Loading...
-
(
02 - 04
)
-
OUTDOOR UNIT
AOTG09-12KMCA
OUTDOOR UNIT
AOTG09-12KMCA
WIRING DIAGRAMS4.
MODELS: AOTG09KMCA, AOTG12KMCA

Related product manuals