EasyManua.ls Logo

Fujitsu AOTG18LVCC - 5. Wiring Diagrams

Fujitsu AOTG18LVCC
59 pages
To Next Page IconTo Next Page
To Next Page IconTo Next Page
To Previous Page IconTo Previous Page
To Previous Page IconTo Previous Page
Loading...
-
(
01 - 07
)
-
WALL MOUNTED TYPE
ASTG09-22LV
WALL MOUNTED TYPE
ASTG09-22LV
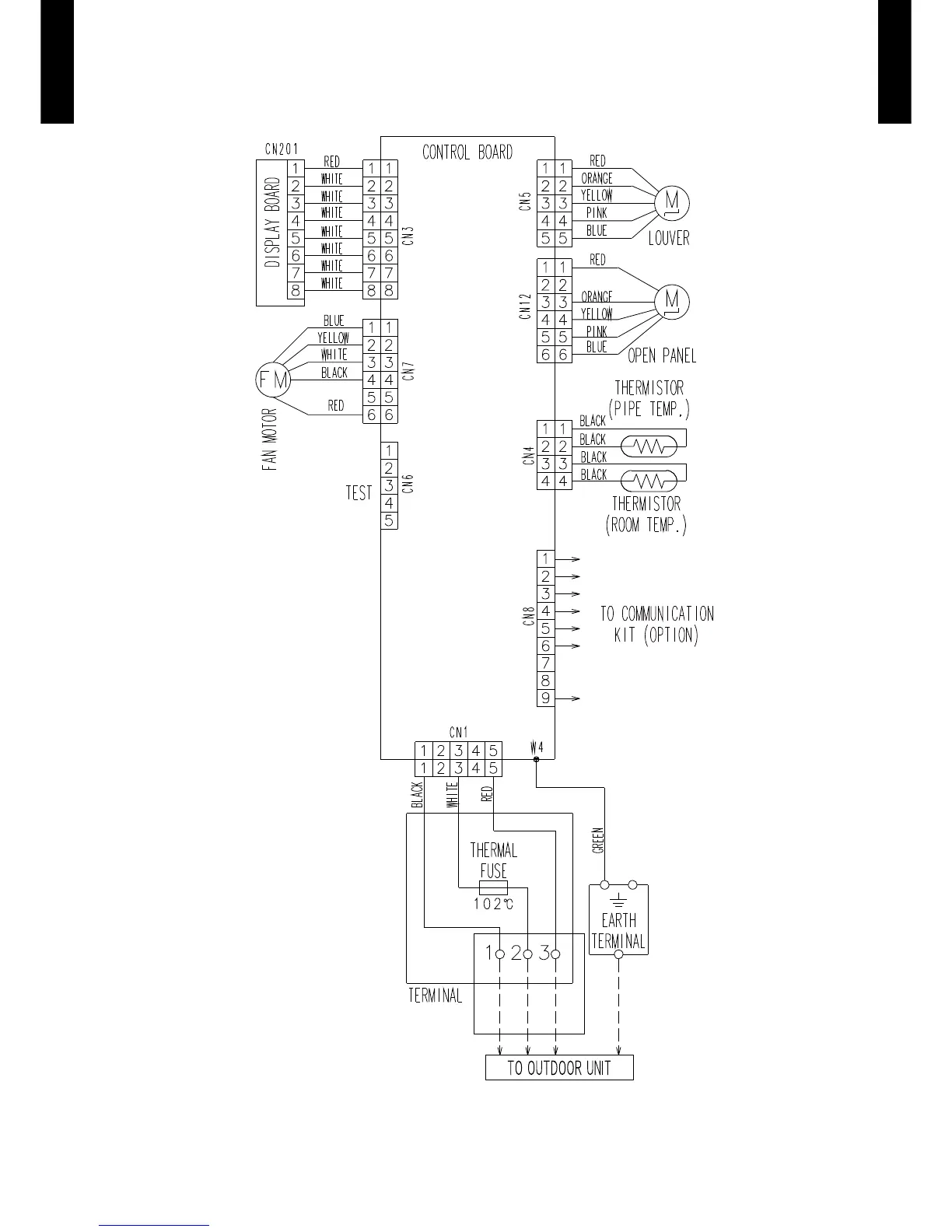
WIRING DIAGRAMS5.
MODEL
: ASTG09LV, ASTG12LV, ASTG18LV, ASTG22LV

Related product manuals