EasyManua.ls Logo

Fujitsu AOY45UMAXT - CIRCUIT DIAGRAM; Indoor Unit Circuit Diagrams (ARG;ARY Models); Outdoor Unit Circuit Diagrams (AOG;AOY Models)

Fujitsu AOY45UMAXT
25 pages
Print Icon
To Next Page IconTo Next Page
To Next Page IconTo Next Page
To Previous Page IconTo Previous Page
To Previous Page IconTo Previous Page
Loading...
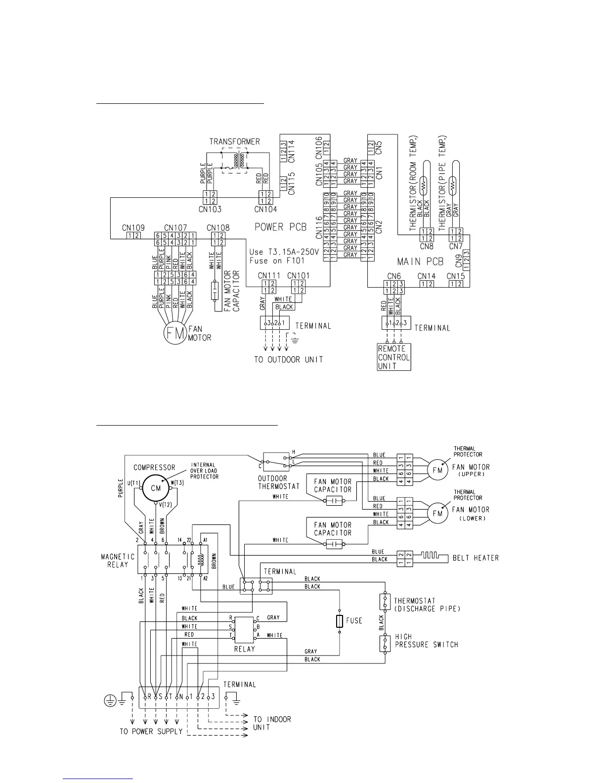
CIRCUIT DIAGRAM
Models : ARG45FUAN, ARY45FUAN
Models : AOG45FMAXT, AOY45FMAXT
2005.12.06 6

Related product manuals