EasyManua.ls Logo

Fujitsu AOYG14LMCE - Page 8

Fujitsu AOYG14LMCE
23 pages
To Next Page IconTo Next Page
To Next Page IconTo Next Page
To Previous Page IconTo Previous Page
To Previous Page IconTo Previous Page
Loading...
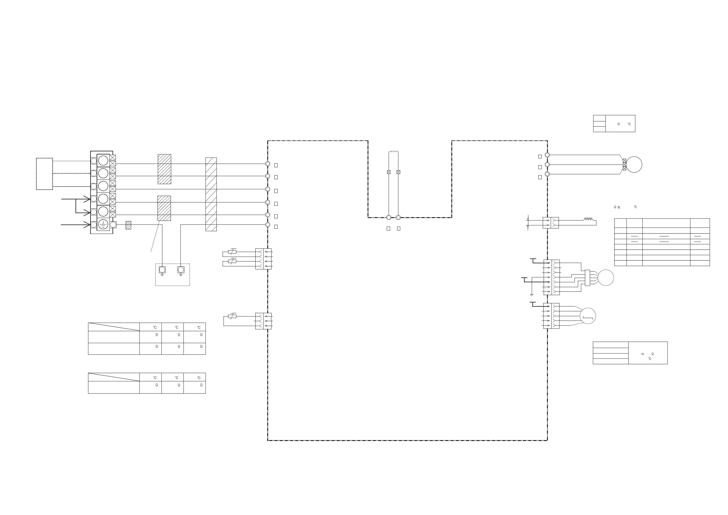
INVERTER ASSEMBLY
EZ-0122DHUE
2016.10.26 7
AOYG14LMCE
CN70 Thermistor Characteristics.
Thermistor ( Discharge temp. )
168.6 k
62.6 k
40.0 k
0.4 V
0.9 V 1.2 V
0 20
30
Thermistor
Thermistor ( Outdoor temp. )
35.2 k
12.6 k
8.0 k
2.6 V
3.8 V 4.1 V
Temperature
CN71 Thermistor Characteristics.
0 20
30
Thermistor
Thermistor ( Pipe temp. )
16.1 k
6.0 k
3.8 k
1.1 V
2.2 V 2.8 V
Temperature
1(Red) - 2(Blue)
1(Red) - 3(Orange)
1(Red) - 4(Yellow)
1(Red) - 5(White)
46.0
(20 )
Recommended Drive Condition
Unipolar Drive, 1-2 Phase Excitation.
Coil resistance
CN40 Expansion Valve Coil
CN800 DC Fan Motor
1
3
4
5
6
Pin No.
Terminal
code
Vm
GND
Vcc
Vsp
FG
Function of terminal
Revolution pulse output
Speed control voltage input
Control power voltage input
GND
Motor power voltage input
Lead wire
color
Red
Black
White
Yellow
Brown
2
7
U-V
V-W
U-W
Compressor
Winding Resistance
0.71
(20 )
BROWN or BLUE
YELLOW
WHITE
BLACK
RED
RED
BLUE
ORANGE
YELLOW
WHITE
BLACK
BLACK
UL3271
AWG16
BLACK
UL3271
AWG16
RED
UL3271
AWG16
WHITE
UL3271
AWG14
RED
UL3271
AWG14
WHITE
UL1015
AWG20
BLACK
BLACK
BLACK
BLACK
BLACK
UL1015
AWG20
WHITE
UL1015
AWG20
RED
UL1015
AWG14
BLACK
UL1015
AWG14
WHITE
UL1015
AWG16
GREEN
BLACK
BLACK
REACTOR
15mH, 10A
W10
B
W11
B
FRAME FRAME
W101
B
W102
B
W4
B
W1
B
W2
B
W3
B
W7
B
W8
B
W9
B
U
V
W
DC FAN MOTOR
EXPANSION VALVE COIL
TERMINAL
COMPRESSOR
1
2
3
4
5
6
7
1
2
3
4
5
1
2
1
2
3
4
1
2
3
CN71
B04B-PLIRK-1
RED
CN70
B03B-PLISK-1
WHITE
CN40
B05B-PLISK-1
WHITE
CN800
B5 ( 7-2.3 ) B-XASK-1-A
WHITE
CN30
2-1747052-3
BLUE
THERMISTOR ( PIPE TEMP. )
THERMISTOR ( DISCHARGE TEMP. )
THERMISTOR ( OUTDOOR TEMP. )
1
2
3
4
5
L
N
SERIAL
TO OUTDOOR UNIT
EARTH
POWER SOURCE
WIRE w/TERMINAL
( CORE )
1015#22
GREEN
TRCB-25-15-12
9 TURNS
EMI FILTER
TRCB25-15-12
8 TURNS
EMI FILTER
ZCAT3035-1330
1 TURN
EMI FILTER
ZCAT1518-0730
1 TURN
MAIN PCB
K10BO-120LHUE-C1
M
M
F M
AC230V
( ON )
DC340V
DC15V
DC12V
4-WAY VALVE COIL
DC Resistance 2085
(20 )
10%

Other manuals for Fujitsu AOYG14LMCE

Related product manuals