EasyManua.ls Logo

Fujitsu ARYG90LHTA - REFRIGERANT SYSTEM DIAGRAM; OUTDOOR UNIT DIAGRAM; INDOOR UNIT DIAGRAM

Fujitsu ARYG90LHTA
24 pages
Print Icon
To Next Page IconTo Next Page
To Next Page IconTo Next Page
To Previous Page IconTo Previous Page
To Previous Page IconTo Previous Page
Loading...
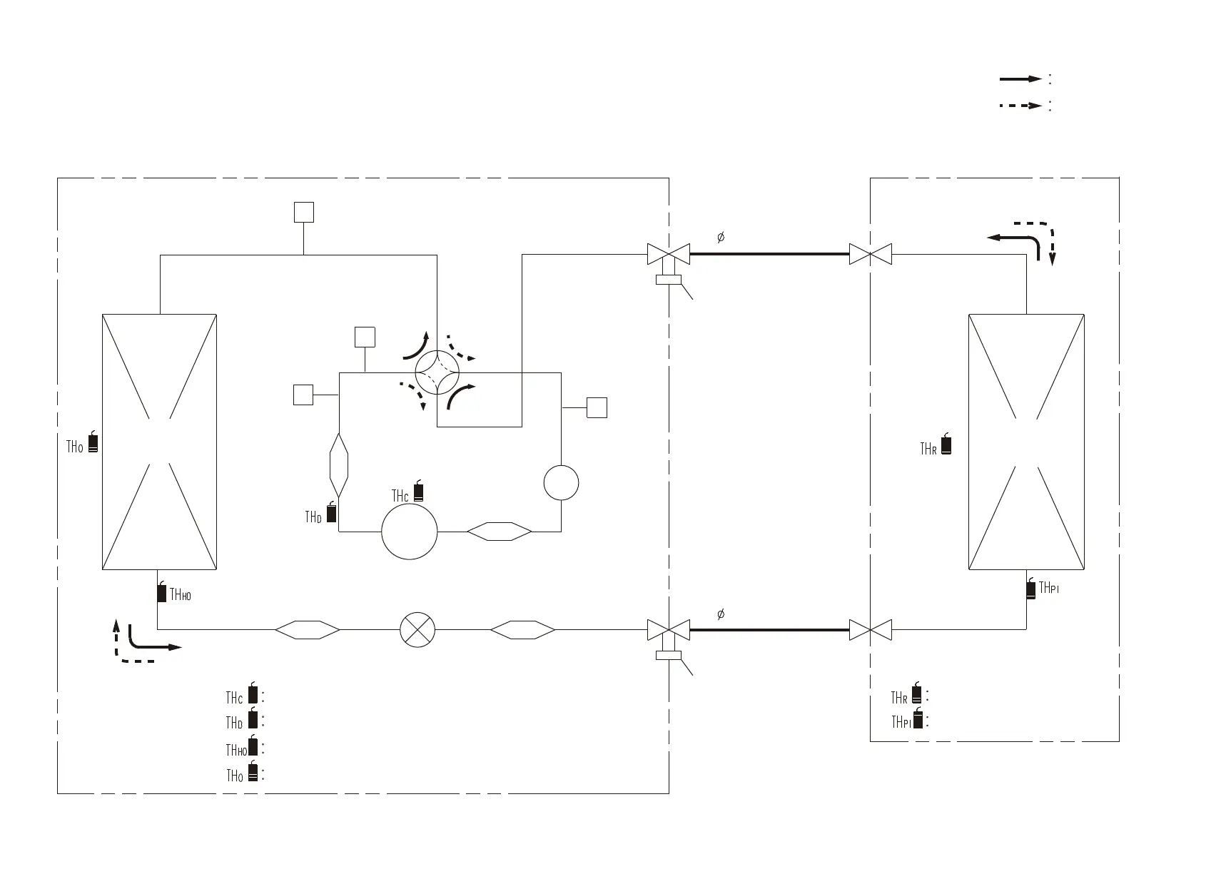
REFRIGERANT
SYSTEM DIAGRAM
2017.04.05
Thermistor (Compressor)
Compressor
4-way
Valve
Pressure
Check Valve
Pressure
Sensor (High)
Pressure
Switch
Pressure
Sensor (Low)
Muffler
Strainer
Strainer
Strainer
Expansion
Valve
3-Way Valve
3-Way Valve
Accumulator
Refrigerant Pipe
12.7mm (1/2")
Refrigerant Pipe
25.4mm (1")
Thermistor (Discharge)
Thermistor (Room)
Heat
Exchanger
Heat
Exchanger
Thermistor (Pipe)
Thermistor (Heat Exchanger Out)
Thermistor (Outdoor)
Cool
Refrigerant flow
Heat
4
OUTDOOR UNIT INDOOR UNIT

Related product manuals