EasyManua.ls Logo

Fujitsu ASHG12KMCE - Page 135

Fujitsu ASHG12KMCE
403 pages
To Next Page IconTo Next Page
To Next Page IconTo Next Page
To Previous Page IconTo Previous Page
To Previous Page IconTo Previous Page
Loading...
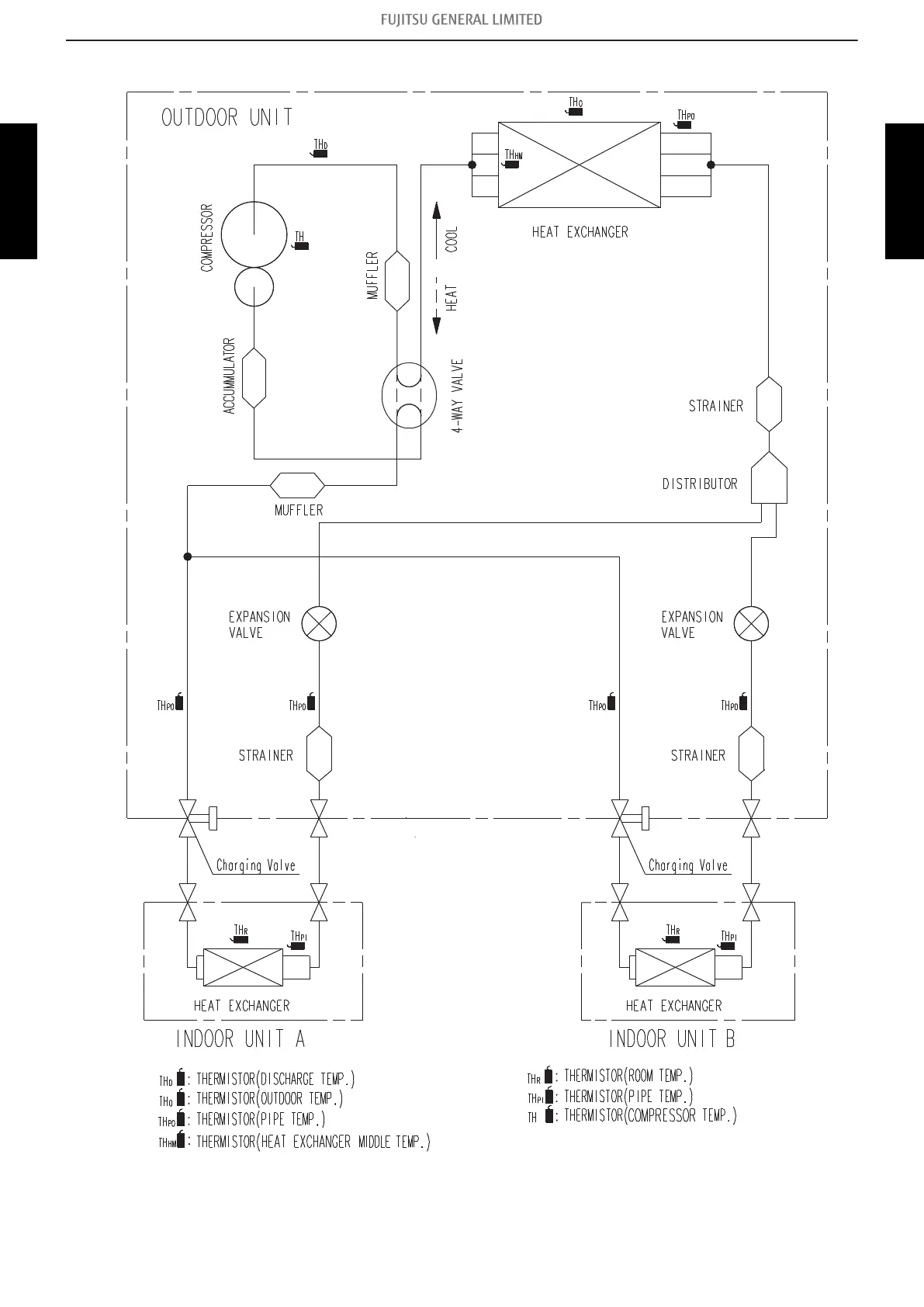
7-2. Model: AOHG18KBTA2
&
&
7-2. Model: AOHG18KBTA2 - (02-91) - 7. Refrigerant system diagrams
TECHNICAL DATA
AND PARTS LIST
TECHNICAL DATA
AND PARTS LIST

Table of Contents

Other manuals for Fujitsu ASHG12KMCE

Related product manuals