EasyManua.ls Logo

Fujitsu ASU9RMLQ - 5. WIRING DIAGRAMS; 5-1. WALL MOUNTED TYPE

Fujitsu ASU9RMLQ
80 pages
Print Icon
To Next Page IconTo Next Page
To Next Page IconTo Next Page
To Previous Page IconTo Previous Page
To Previous Page IconTo Previous Page
Loading...
-
(
01 - 23
)
-
MULTI TYPE
3-4ROOMS TYPE
MULTI TYPE
3-4ROOMS TYPE
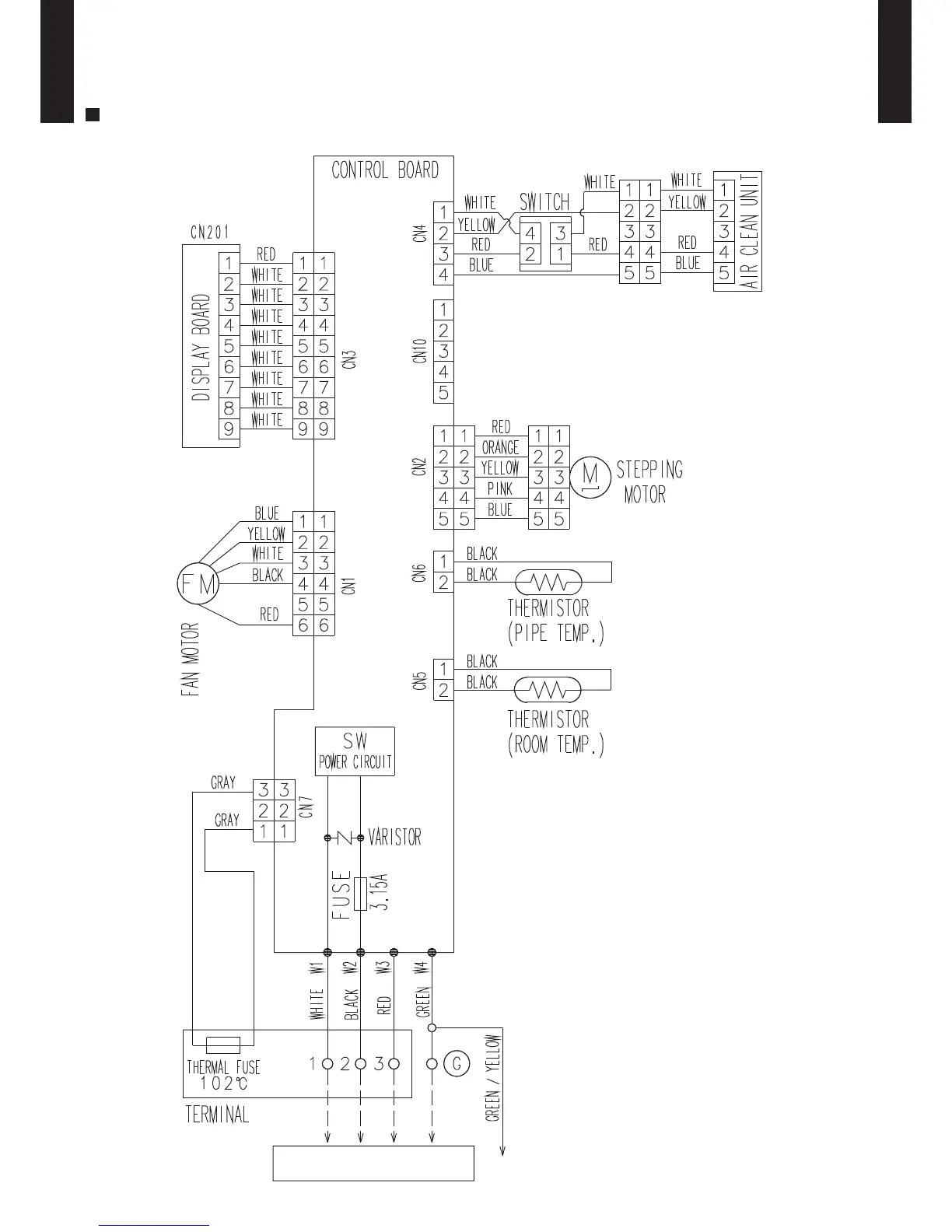
5-1. WALL MOUNTED TYPE
5. WIRING DIAGRAMS
MODEL : ASU9R, ASU12R, ASU18R
TO OUTDOOR UNIT

Other manuals for Fujitsu ASU9RMLQ

Related product manuals