EasyManua.ls Logo

Fujitsu ASYG09LMCE - Refrigerant Circuit

Fujitsu ASYG09LMCE
425 pages
To Next Page IconTo Next Page
To Next Page IconTo Next Page
To Previous Page IconTo Previous Page
To Previous Page IconTo Previous Page
Loading...
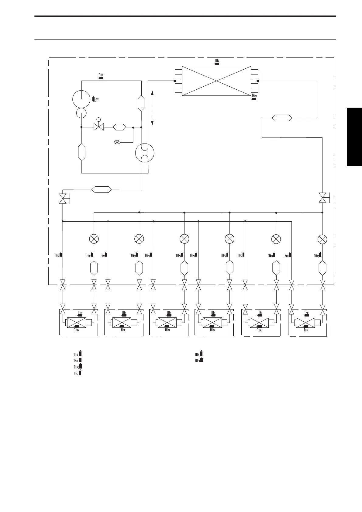
4. Refrigerant circuit
4-1. Model: AOYG45LBLA6
HEAT EXCHANGER
HEAT EXCHANGERHEAT EXCHANGER
HEAT EXCHANGER
Indoor unit A Indoor unit B Indoor unit C Indoor unit D
PRESSURE SENSOR
COMPRESSOR
STRAINER
EXPANSION
VALVE
STRAINER
EXPANSION
VALVE
4-WAY VALVE
HEAT COOL
STRAINER
EXPANSION
VALVE
STRAINER
EXPANSION
VALVE
: THERMISTOR (DISCHARGE TEMP.)
: THERMISTOR (COMPRESSER TEMP.)
: THERMISTOR (ROOM TEMP.)
: THERMISTOR (PIPE TEMP.)
: THERMISTOR (PIPE TEMP.)
: THERMISTOR (OUTDOOR TEMP.)
MUFFLER
SOLENOID
VALVE
STRAINER
MUFFLER
Indoor unit E
STRAINER
EXPANSION
VALVE
HEAT EXCHANGER
ACCUMULATOR
CONDENSER
STRAINER
CHARGING
VALVE
CHARGING
VALVE
HEAT EXCHANGER
STRAINER
EXPANSION
VALVE
Indoor unit F
- 351 -
OUTDOOR UNIT
AOYG45LBLA6

Table of Contents

Other manuals for Fujitsu ASYG09LMCE

Related product manuals