EasyManua.ls Logo

Fujitsu ASYG12LUCA

Fujitsu ASYG12LUCA
114 pages
To Next Page IconTo Next Page
To Next Page IconTo Next Page
To Previous Page IconTo Previous Page
To Previous Page IconTo Previous Page
Loading...
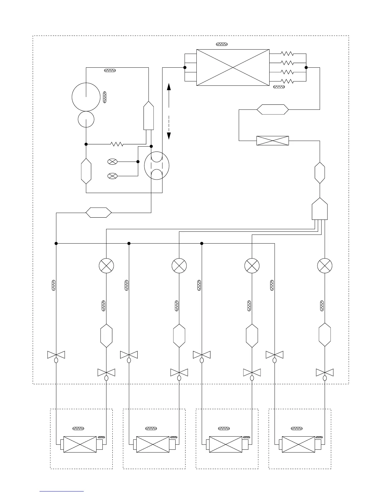
REFRIGERANT SYSTEM DIAGRAM
OUTDOOR UNIT
INDOOR UNIT A INDOOR UNIT B INDOOR UNIT C INDOOR UNIT D
18
ROOM
THERMISTOR
DISCHARGE
THERMISTOR
OUTDOOR
THERMISTOR
PIPE
THERMISTOR
COMPRESSOR
THERMISTOR
OIL BACK
CAPILLARY
CAPILLARY TUBE
PRESSURE SWITCH(A)
PRESSURE SWITCH(B)
OIL SEPARATOR
COMPRESSOR
ACCUMULATOR
MUFFLER
STRAINER
6.35 mm
12.7 mm
6.35 mm
12.7 mm
6.35 mm
9.52 mm
6.35 mm
9.52 mm
EXPANSION
VALVE
THERMISTOR
PIPE (A-2WV)
THERMISTOR
PIPE (A-3WV)
3-WAY
VALVE
2-WAY
VALVE
HEAT EXCHANGER
ROOM
THERMISTOR
STRAINER
EXPANSION
VALVE
THERMISTOR
PIPE (B-2WV)
THERMISTOR
PIPE (B-3WV)
THERMISTOR
PIPE (C-3WV)
THERMISTOR
PIPE (D-3WV)
3-WAY
VALVE
4-WAY VALVE
HEAT COOL
2-WAY
VALVE
HEAT EXCHANGER
ROOM
THERMISTOR
STRAINER
EXPANSION
VALVE
THERMISTOR
PIPE (C-2WV)
3-WAY
VALVE
2-WAY
VALVE
HEAT EXCHANGER
HEAT EXCHANGER
HEAT EXCHANGER
RECEIVER TANK
ROOM
THERMISTOR
PIPE TH.PIPE TH.PIPE TH.PIPE TH.
STRAINER
STRAINER
DISTRIBUTOR
EXPANSION
VALVE
THERMISTOR
PIPE (D-2WV)
3-WAY
VALVE
2-WAY
VALVE
HEAT EXCHANGER
2011.02.16

Other manuals for Fujitsu ASYG12LUCA

Related product manuals