EasyManua.ls Logo

Fujitsu AUU36RCLX - AOU18 RLX & AOU24 RLX Circuit Diagrams

Fujitsu AUU36RCLX
45 pages
Print Icon
To Next Page IconTo Next Page
To Next Page IconTo Next Page
To Previous Page IconTo Previous Page
To Previous Page IconTo Previous Page
Loading...
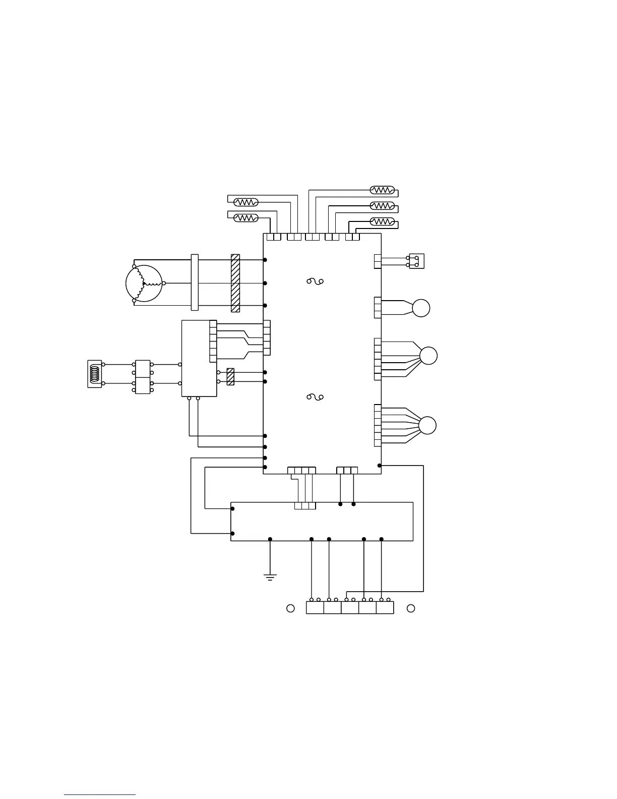
Model :
AOU18RLX, AOU24RLX
2005.12.21 10
ORANGE
YELLOW
WHITE
BLUE
BROWN
RED
BLUE
YELLOW
WHITE
BLACK
RED
BLACK
BLACK
RED
RED
BLACK
BROWN
BLUE
BROWN
BLACK
RED
BROWN
BLACK
BLACK
WHITE
BLACK
BLACK
WHITE
WHITE
GREEN
BLACK
WHITE
BLACK
RED
YELLOW
BLUE
YELLOW
ORANGE
RED
BROWN
BLACK
BLACK
WHITE
BROWN
BLACK
BLACK
WHITE
WHITE
RED RED
RED
CN1
CN1
CN34
W9 W8
W200
W11
W10
W17
W16
CN27
CN802
W12
W13
CN407
CN30
CN37
W303
W304
W305
CN21
CN22
CN23
CN26
CN25
1
6
5
4
3
2
1
432
1
6
5
4
3
2
1
5
4
3
2
1
3
2
1
2
1
32
1 2 1 2 1 2 1 2 1 2
1
6
5
4
3
2
1
32
TM102
TM101
W3
W6 W7
W4
W5
G G
2 (N)
1 3
L
N
EARTH EARTH
EXPANSION VALVE COIL
E V
F M FAN MOTOR
SOLENOID COIL
4WV
HIGH PRESSURE SWITCH
FUSE
F4 T 5A-250V
FUSE
F2 T 3.15A-250V
EMI FILTER
2T
L1
L2
P
N
+
-
TERMINAL
CHOKE COIL
COMPRESSOR
CONNECTOR
EMI FILTER
1T
U
V
W
W
U
V
DISCHARG TEMPERATURE
THERMISTOR
PIPE TEMPERATURE
THERMISTOR
OUTDOOR TEMPERATURE
THERMISTOR
COMPRESSOR TEMPERATURE
THERMISTOR
HEAT SINK TEMPERATURE
THERMISTOR
POWER SUPPLY PCB ASSY
CONTROLLER PCB ASSY
ACTIVE
FILTER
MODULE

Related product manuals