EasyManua.ls Logo

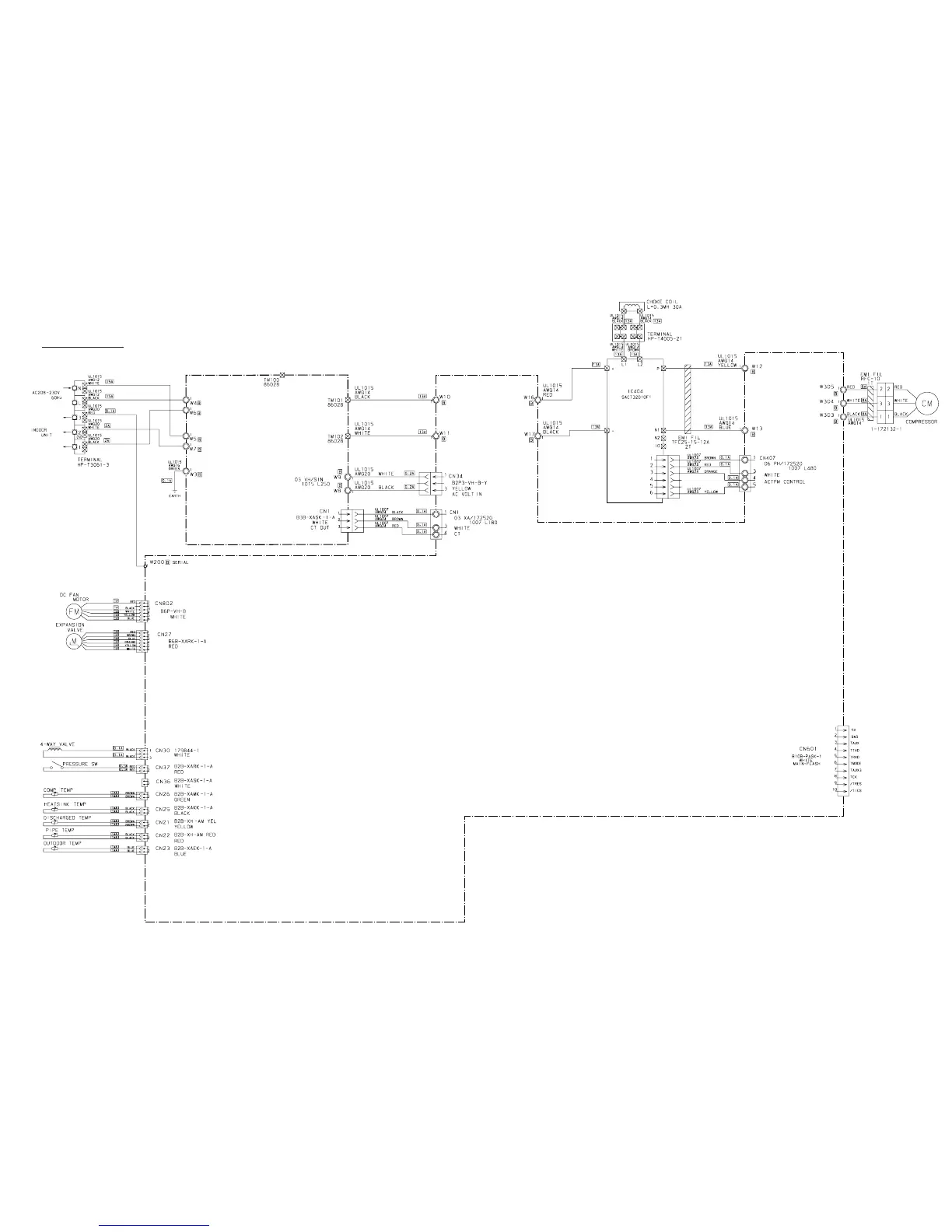
Fujitsu AUU36RCLX - Outdoor Pcb Circuit Diagram

Fujitsu AUU36RCLX
45 pages
Print Icon
To Next Page IconTo Next Page
To Next Page IconTo Next Page
To Previous Page IconTo Previous Page
To Previous Page IconTo Previous Page
Loading...
Models :
AOU18RLX
AOU24RLX
POWER SUPPLY PCB ASSY
K04BA-0500HUE-P0
CONTROLLER PCB ASSY
AOU18RLX : K04AW-0503HUE-C1
AOU24RLX : K04AW-0502HUE-C1
INVERTER ASSEMBLY
AOU18RLX : EZ-005GHUE
AOU24RLX : EZ-005FHUE
2005.12.23 15
OUTDOOR PCB CIRCUIT DIAGRAM

Related product manuals