EasyManua.ls Logo

Fujitsu GENERAL ABHG18KRTA - Refrigerant Circuit; Model: AOHG18 KATA

Fujitsu GENERAL ABHG18KRTA
113 pages
To Next Page IconTo Next Page
To Next Page IconTo Next Page
To Previous Page IconTo Previous Page
To Previous Page IconTo Previous Page
Loading...
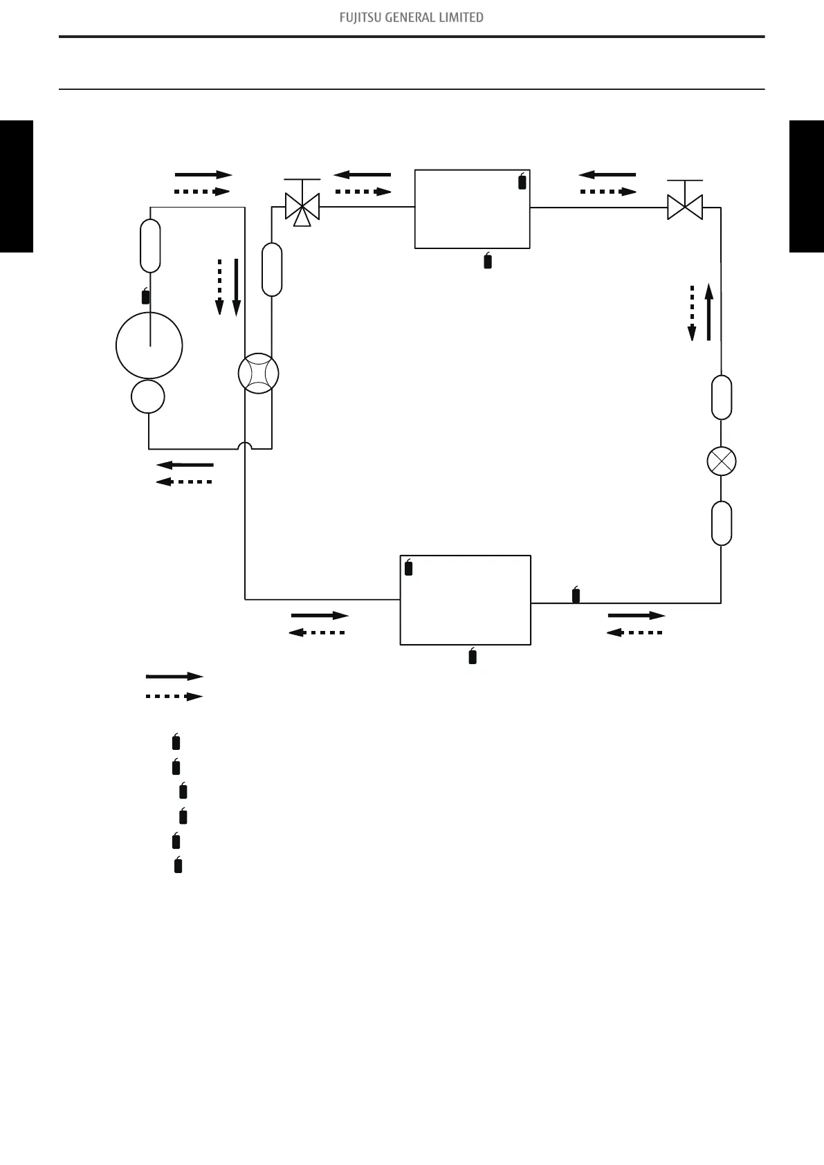
4. Refrigerant circuit
4-1. Model: AOHG18KATA
Strainer
Strainer
3-way
valve
2-way
valve
Muffler
4-way valve
Expansion valve
Heat exchanger
Heat exchanger
(INDOOR)
(OUTDOOR)
Compressor
Cooling
Heating
Th
D
Th
R
Th
PI
Th
O
Th
HO
: Thermistor (Discharge temperature)
: Thermistor (Outdoor temperature)
: Thermistor (Heat exchanger middle temperature)
Th
D
Th
O
Th
HM
: Thermistor (Heat exchanger out temperature)
Th
HO
: Thermistor (Room temperature)
: Thermistor (Pipe temperature)
Th
R
Th
PI
Muffler
Th
HM
- 74 -
4-1. Model: AOHG18KATA 4. Refrigerant circuit
OUTDOOR UNIT
AOHG18-45KATA
OUTDOOR UNIT
AOHG18-45KATA

Table of Contents

Related product manuals