EasyManua.ls Logo

Fujitsu General ASHG07KPCE

Fujitsu General ASHG07KPCE
132 pages
To Next Page IconTo Next Page
To Next Page IconTo Next Page
To Previous Page IconTo Previous Page
To Previous Page IconTo Previous Page
Loading...
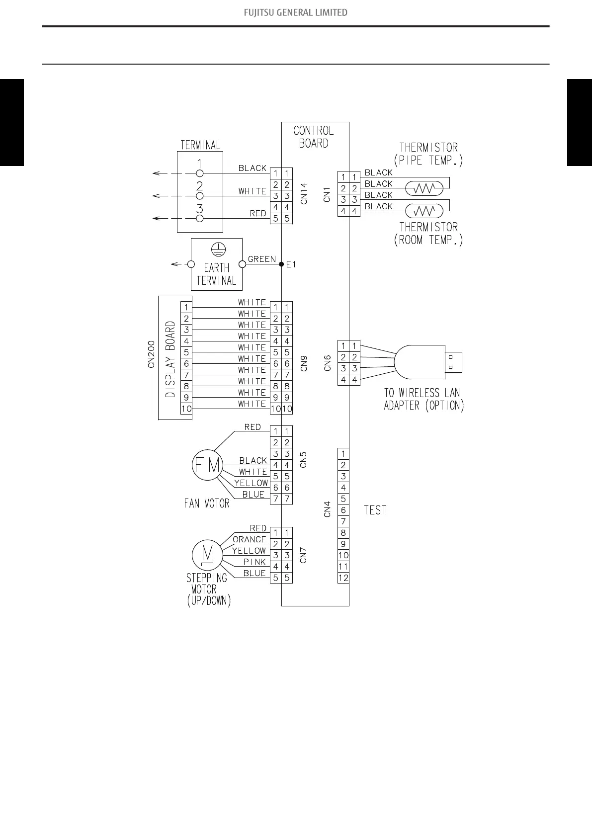
7. Wiring diagrams
7-1. Indoor unit
¢
Models: ASHG07KPCE, ASHG09KPCE, and ASHG12KPCE
7-1. Indoor unit - (02-13) - 7. Wiring diagrams
TECHNICAL DATA
AND PARTS LIST
TECHNICAL DATA
AND PARTS LIST

Related product manuals