8. PC board diagrams
2
1
3
4
5
6
7
8
9
10
11
12
2
1
3
4
5
6
7
8
9
10
2
1
3
4
5
1
4
5
6
7
2
1
3
4
5
6
7
8
9
10
2
1
3
4
5
BLACK
BLACK
BLACK
BLACK
BLACK
BLACK
UL1015 AWG22 GREEN
UL1061 AWG28 WHITE
UL1061 AWG28 WHITE
UL1061 AWG28 WHITE
UL1061 AWG28 WHITE
UL1061 AWG28 WHITE
UL1061 AWG28 WHITE
UL1061 AWG28 WHITE
UL1061 AWG28 WHITE
UL1061 AWG28 WHITE
UL1061 AWG28 WHITE
WHITE
RED
BLACK
YELLOW
BLUE
RED
ORANGE
YELLOW
PINK
BLUE
RED
WHITE
BLACK
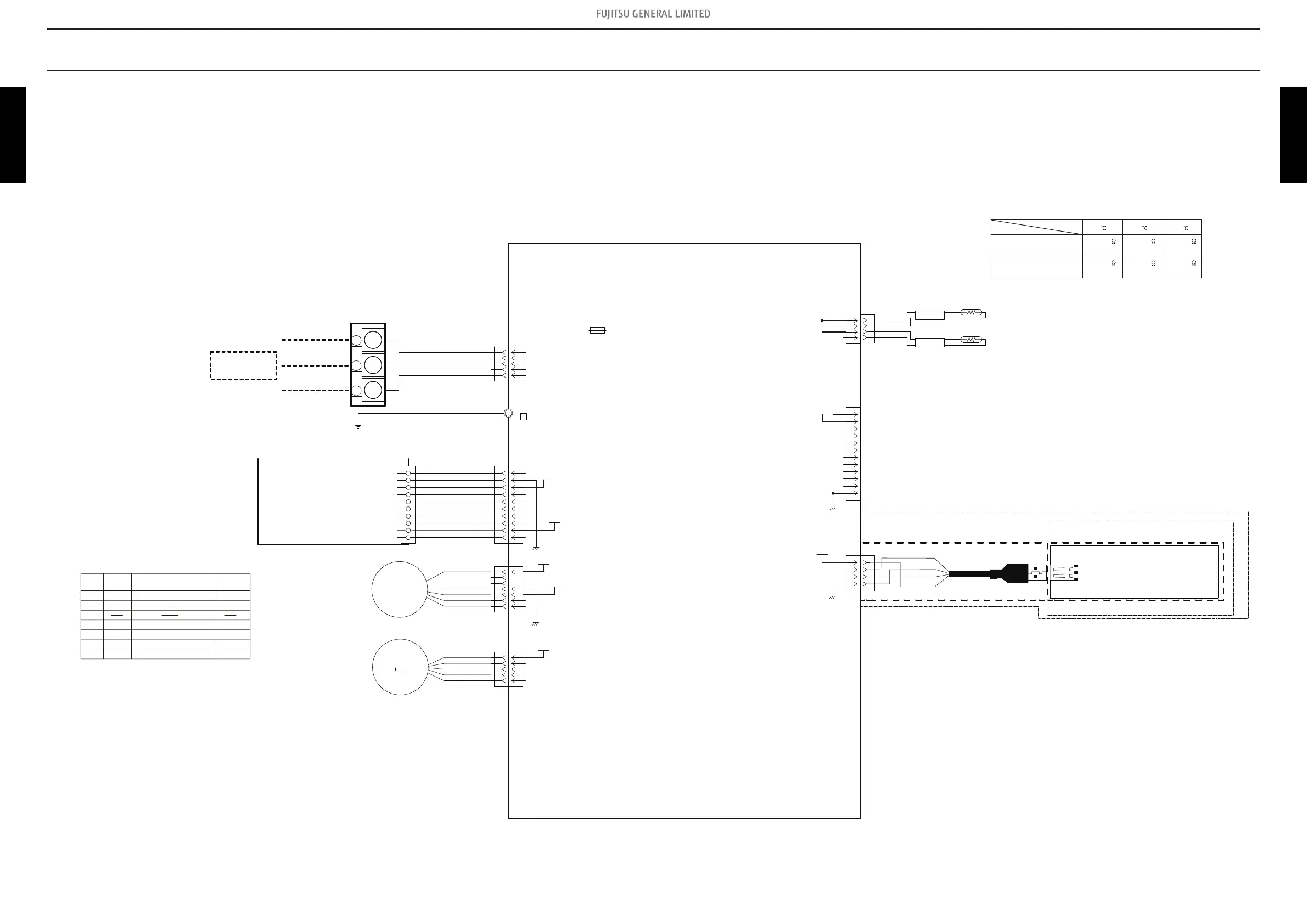
DC FAN MOTOR
LOUVER ( UP / DOWN )
EARTH
TERMINAL
JXO-T3102-3P-B
L
N
SERIAL
1
2
3
OUTDOOR UNIT
E1
B
CN9
B10B-PASK-1
WHITE
CN5
B5 ( 7-2.3 ) B-XASK-1-A
WHITE
CN7
B05B-PLISK-1
WHITE
CN4
B12B-PASK-1
WHITE
CN14
B3 ( 5.0 ) B-XASK-1-A
WHITE
F1
3.15A
250V
THERMISTOR ( PIPE TEMPERATURE )
THERMISTOR ( ROOM TEMPERATURE )
FM
M
CONTROL UNIT
07 model : EZ-0180BHSE
09 model : EZ-0180CHSE
12 model : EZ-0180DHSE
CN200
S10B-PASK-2
WHITE
INDICATOR PCB
K18RB-1801HSE-D0
MAIN PCB
07 model : K18RA-1803HSE-C1
09 model : K18RA-1804HSE-C1
12 model : K18RA-1805HSE-C1
DC5V
DC12V
DC12V
DC340V
DC15V
A
DC5V
TEST
CN5 DC Fan motor
1
3
4
5
6
7
Pin No.
Terminal
code
Vm
GND
Vcc
Vsp
FG
Function of terminal
Revolution pulse output
Speed control voltage input
Control power voltage input
GND
Motor power voltage input
Lead wire
color
Red
Black
White
Yellow
Blue
2
CN1 Thermistor Characteristics.
Thermistor
Thermistor ( Pipe temp. )
176.03 k
62.91 k
39.57 k
1.10 V
2.21 V 2.79 V
Thermistor ( Room temp. )
33.62 k
12.54 k
8.04 k
1.15 V
2.22 V 2.77 V
Temperature
( 20 ) ( 30 )
( 0 )
CN6
B04B-PASK-1
WHITE
4
3
2
1
UL1430 AWG26 RED
UL1430 AWG26 BLACK
UL1430 AWG26 WHITE
UL1430 AWG26 GREEN
( 4 BLACK )
( 3 GREEN )
( 2 WHITE )
( 1 RED )
Wi-Fi cable*
*Included in the Wi-Fi holder assy.
4-PA/USB
L210 #28/2725
J2
USB5-A4M2-KNSO-01
WHITE
WIRELESS LAN ADAPTER ( OPTION )
UTY-TFSXF2 ( AP-WF2E )
DC12V-3
CN1
B04B-PLIRK-1
RED
4
3
2
1
DC5V-2
8-1. Models: ASHG07KPCE, ASHG09KPCE, and ASHG12KPCE - (02-15) - 8. PC board diagrams