EasyManua.ls Logo

Fujitsu WSYA 080 DA - Page 54

Fujitsu WSYA 080 DA
60 pages
Print Icon
To Next Page IconTo Next Page
To Next Page IconTo Next Page
To Previous Page IconTo Previous Page
To Previous Page IconTo Previous Page
Loading...
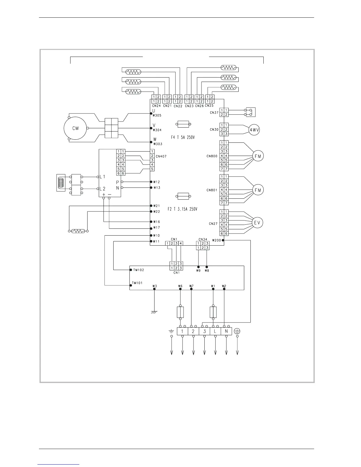
54 Installation and operating manual “1350-EN”
Heat pump, Split, single service
R(R)
S(S)
C(T)
Temperature sensors
Discharge
Compressor
Outside
Compressor
Terminal block
Coil
Red
White
Black
White
Red
Black
Module
filtre
actif
Brown
Red
Orange
Yellow
Yellow
Blue
Posistor
Orange
Orange
Red
Black
White
Black
White
Brown
Black
Fuse 25 A
White
Black
Green
Terminal block
Red
White
Electrical cabling
Black
Red
White
Black
Brown
HP pressure switch
4-way valve
Electronic
expansion
valve
Fuse
Fuse
Ventilator 1
Ventilator 2
Red
Red
Black
Black
Red
White
Yellow
Brown
Red
Brown
Blue
Orange
Yellow
White
Black
Red
White
Yellow
Brown
Black
Black
Black
Black
Brown
Brown
Blue
Filter
Evaporator outlet
Evaporator centre
Compressor casing
Interconnection
between the outside unit
and the hydraulic module
Regulation board
Fuse 10 A
Figure 47 - Electrical wiring of outside unit Model 128

Table of Contents

Related product manuals