EasyManua.ls Logo

Fumex FA2 Series - Page 7

Fumex FA2 Series
7 pages
Print Icon
To Previous Page IconTo Previous Page
To Previous Page IconTo Previous Page
Loading...
7
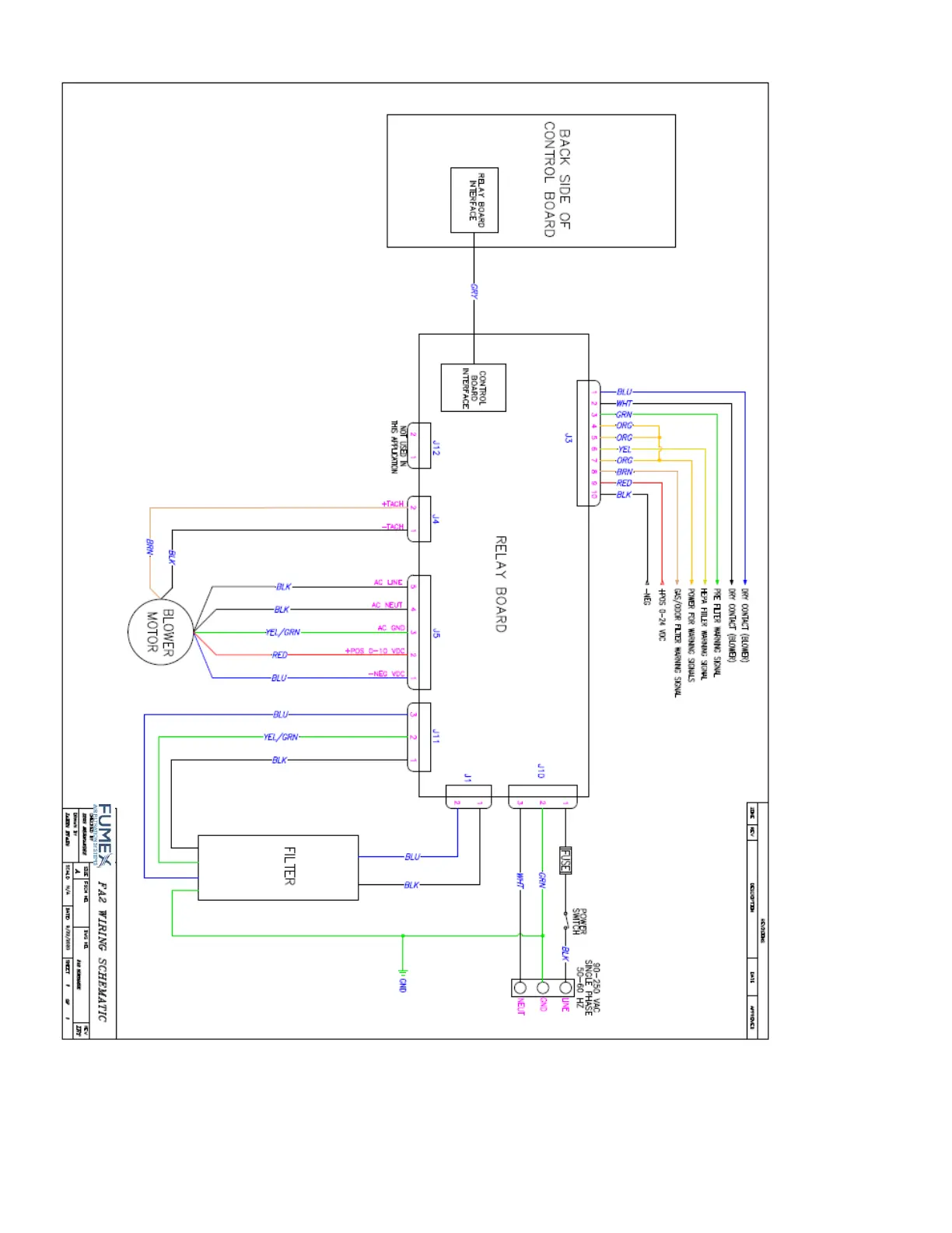
Figure 1