EasyManua.ls Logo

Fumex FA5-2 Series - Page 8

Fumex FA5-2 Series
9 pages
Print Icon
To Next Page IconTo Next Page
To Next Page IconTo Next Page
To Previous Page IconTo Previous Page
To Previous Page IconTo Previous Page
Loading...
8
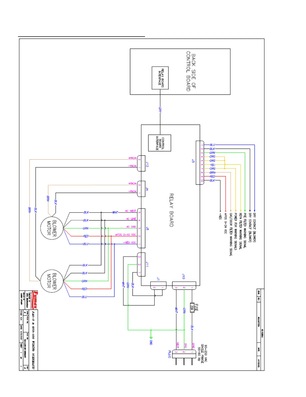
DRAWINGS AND FIGURES
Figure 1

Related product manuals