EasyManua.ls Logo

FUNAI A8C70EP - Page 15

FUNAI A8C70EP
64 pages
Print Icon
To Next Page IconTo Next Page
To Next Page IconTo Next Page
To Previous Page IconTo Previous Page
To Previous Page IconTo Previous Page
Loading...
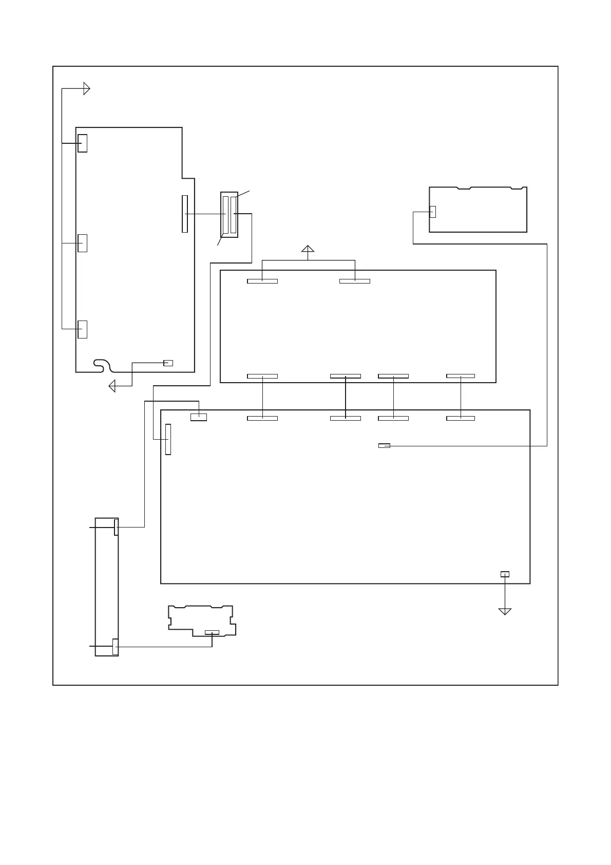
4-4 A8C70DC
TV Cable Wiring Diagram
IR Sensor CBA
Function
CBA
CN106
CN105A
CN301
Main CBA
CN802
CN202
CN4501 CN4502
CN11
Digital Main CBA Unit
Jack CBA
CN201
CN3704CN4503CN3701CN3601
CN103ACN102ACN101ACN104A
To LCD Module
Assembly
CN107
To Speaker
Fig. D3
CN403
CN402
CN451
CN401
To Speaker
Junction
CBA
Inverter CBA
To LCD Module
Assembly
CN404B
CN404A
CL404

Related product manuals