EasyManua.ls Logo

FUNAI A8C70EP - Page 30

FUNAI A8C70EP
64 pages
Print Icon
To Next Page IconTo Next Page
To Next Page IconTo Next Page
To Previous Page IconTo Previous Page
To Previous Page IconTo Previous Page
Loading...
8-4
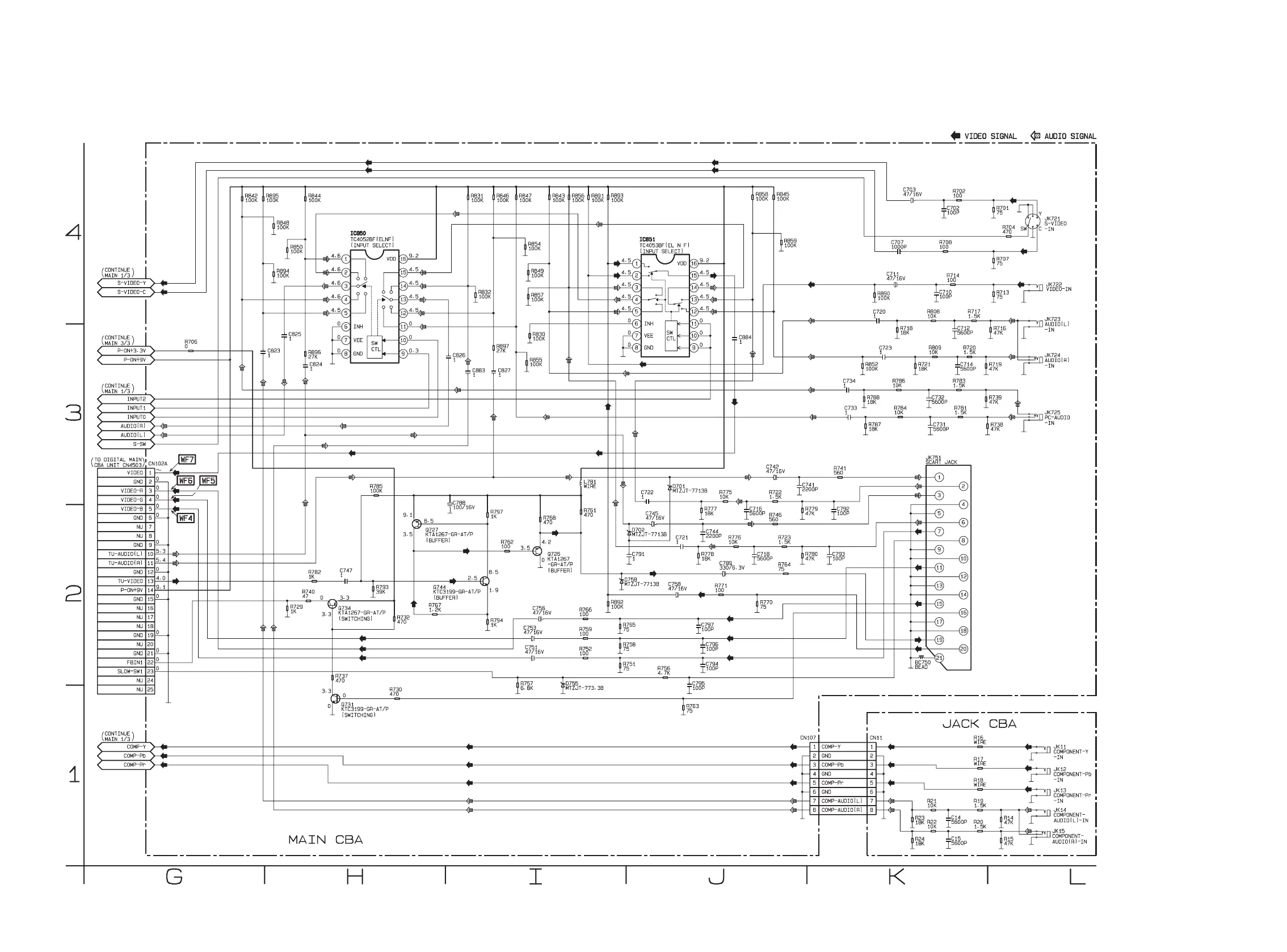
A8C70SCM2
Main 2/3, Jack Schematic Diagram

Related product manuals