EasyManua.ls Logo

FUNAI A8C70EP - Page 32

FUNAI A8C70EP
64 pages
Print Icon
To Next Page IconTo Next Page
To Next Page IconTo Next Page
To Previous Page IconTo Previous Page
To Previous Page IconTo Previous Page
Loading...
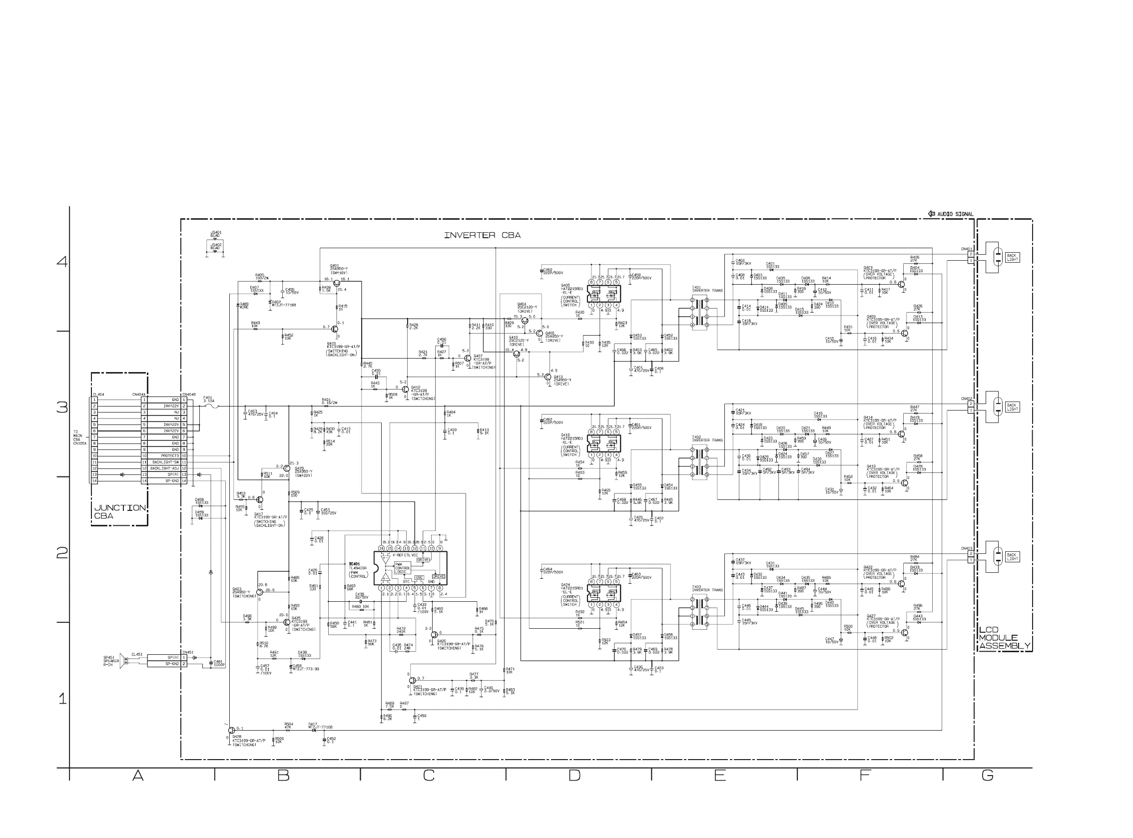
8-6
A8C70SCINV
Inverter & Junction Schematic Diagram

Related product manuals