EasyManua.ls Logo

FUNAI D8A-A4110DB - Page 38

FUNAI D8A-A4110DB
75 pages
Print Icon
To Next Page IconTo Next Page
To Next Page IconTo Next Page
To Previous Page IconTo Previous Page
To Previous Page IconTo Previous Page
Loading...
1-12-8
E8G00SCM6
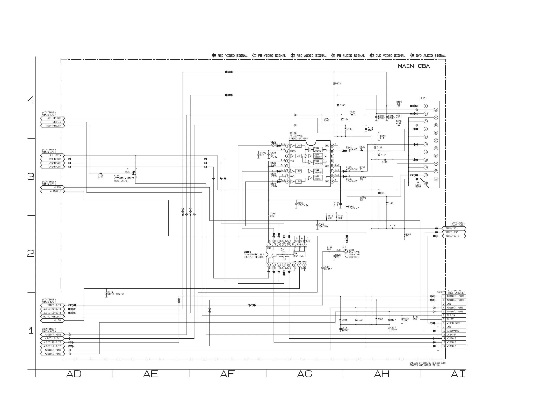
Main 6/8 Schematic Diagram < VCR Section >
www.freeservicemanuals.info
26/5/2013
World of free manuals

Other manuals for FUNAI D8A-A4110DB

Related product manuals