EasyManua.ls Logo

FUNAI D8A-A4110DB - Page 43

FUNAI D8A-A4110DB
75 pages
Print Icon
To Next Page IconTo Next Page
To Next Page IconTo Next Page
To Previous Page IconTo Previous Page
To Previous Page IconTo Previous Page
Loading...
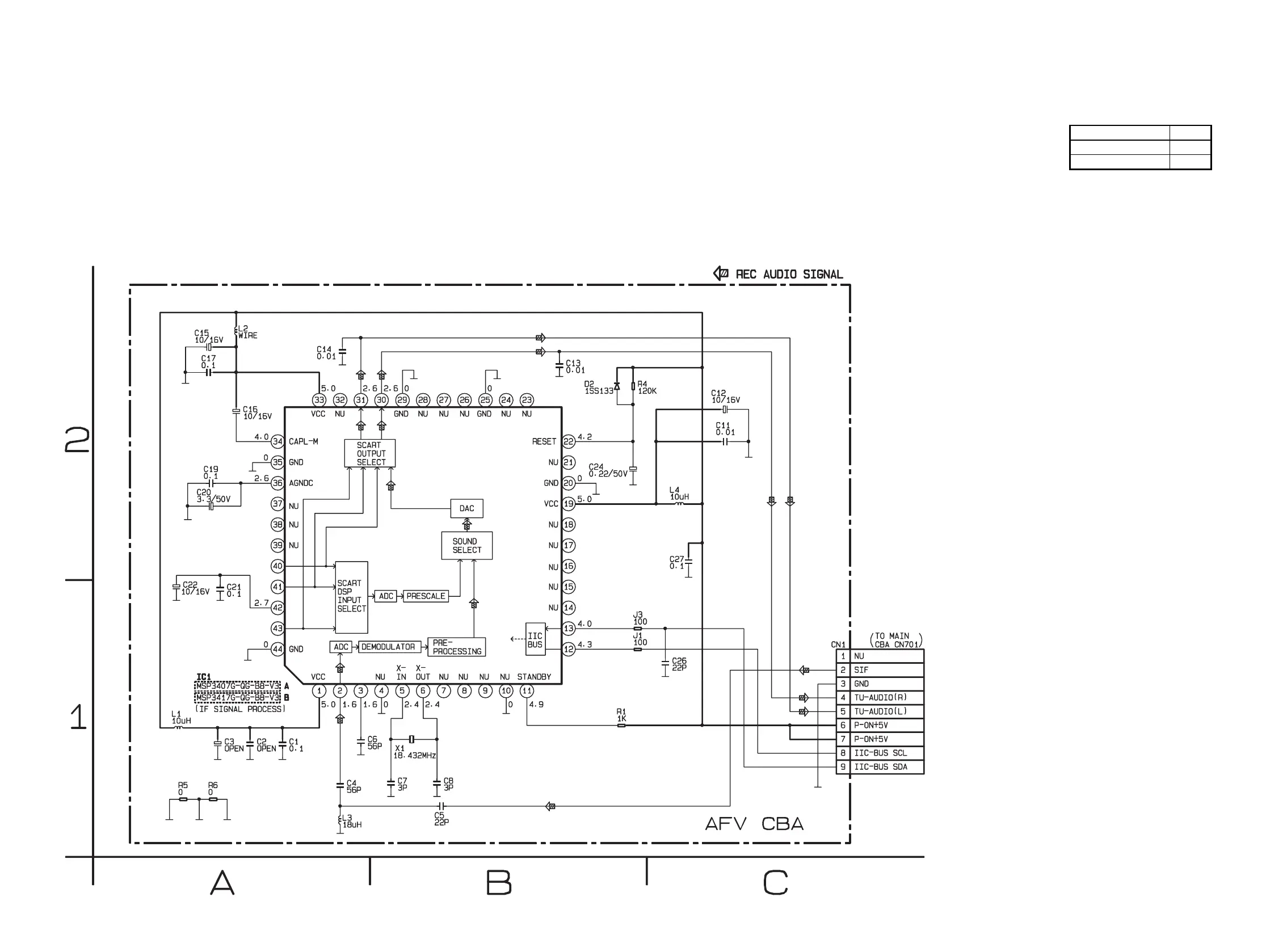
1-12-13
E8G00SCAFV
AFV Schematic Diagram < VCR Section >
Comparison Chart of
Models and Marks
MODEL MARK
D8A-A4110DB A
D8A-D4110DB B
www.freeservicemanuals.info
26/5/2013
World of free manuals

Other manuals for FUNAI D8A-A4110DB

Related product manuals