EasyManua.ls Logo

FUNAI DDVR-6830 - Page 42

FUNAI DDVR-6830
75 pages
Print Icon
To Next Page IconTo Next Page
To Next Page IconTo Next Page
To Previous Page IconTo Previous Page
To Previous Page IconTo Previous Page
Loading...
1-12-12
H9903SCJ
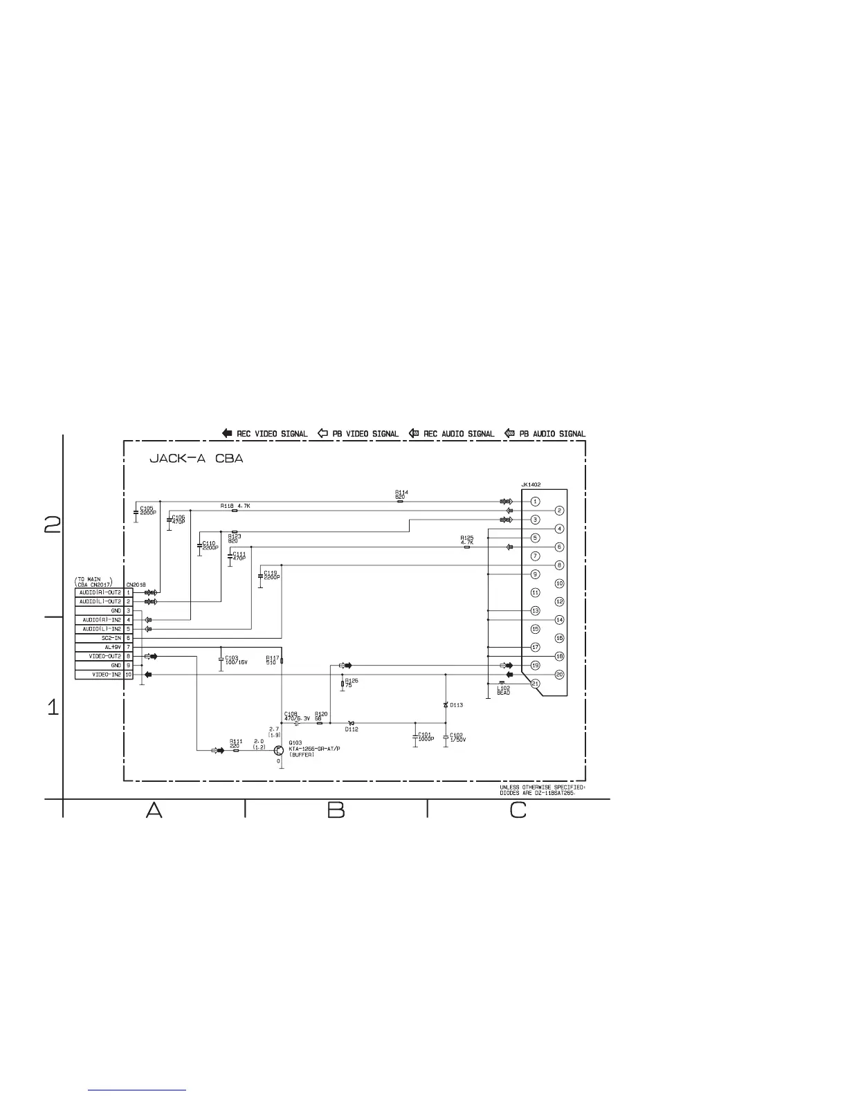
Jack - A Schematic Diagram < VCR Section >

Related product manuals