EasyManua.ls Logo

FUNAI LF320EM4F - Page 40

FUNAI LF320EM4F
83 pages
Print Icon
To Next Page IconTo Next Page
To Next Page IconTo Next Page
To Previous Page IconTo Previous Page
To Previous Page IconTo Previous Page
Loading...
10-7
B12
D3045
OPEN
D3049
OPEN
A10NU
D9NU
D3053
OPEN
4.7K
R3321
C8NU
0.1C3195
B9NU
75
R3364
10K
R3358
B11
75
R3377
A12
C10
B14VSYNC
A16IF-AGC
D10NU
D8
A14HSYNC
47
R3284
C9
A11NU
D3050
OPEN
C11
B10NU
A9
D3054
OPEN
47
R3285
10
R3333
C7
10
R3334
1
2
34
VCC
GND
5
IC3013
74LVC1G126GW
47
R3286
10K
R3347
0.1C3196
1
2
34
VCC
GND
5
IC3014
74LVC1G126GW
75
R3356
4.7K
R3326
D3055
OPEN
0.1C3194
OPEN
R3701
OPEN
R3702
OPEN
R3703
100K
R3705
100K
R3704
D3041
OPEN
0.1C3201
0.01C3198
0.1C3200
0.1C3199
0.1C3286
0.1C32852.2
C3335
1C3336
1K
R3194
10
R3250
2.7K
R3202
10
R3251
0.1
C3178
18K
R3205
SDA T12
L3913
2.2uH
OPEN
C3934
0.1C3903
0.1C3902
1000P
C3910 D3904
MM5Z5V6B
SCL R12
IC3005(2/6)
R8A05011BG-U0
*1
47R3206
47R3207
33P
C3176
33P
C3175
2.7K
R3204
2.7K
R3203D3903
MM5Z5V6B
OPEN
C3909
D3902
MM5Z5V6B
0.1
C3214
10
R3332
10
R3331
10R3327
10R3328
10R3329
P-ON+5V
P-ON+3.3V
AUDIO(L)-IN
AUDIO(R)-IN
COMP-DET
SPDIF
VGA-SCL
VGA-SDA
1
2
3
4
5
14
13
12
11
15
6
7
8
9
10
JK3001
PC-RGB-IN
JK3702
TU3901 (TUNER UNIT)
1
+3.3V
2
GND
3
SDA
4
SCL
5
IF-AGC
6
DIF-OUT1
7
DIF-OUT2
33P
C3173
33P
C3172
Q3302
Q3301
RU1L002SNTL
RU1L002SNTL
2SC4081UBTLQ
Q3701
0.1
C3708
10K
R3711
100
R3710
220
R3709
110
R3708
1
C3706
100P
C3709
JK3701
SDA
SCL
10K
R3712
1
C3707
33P
C3287
33P
C3291
33P
C3293
33P
C3292
33P
C3289
33P
C3288
OPEN
R3339
OPEN
R3296
OPEN
R3343
OPEN
R3298
75
R3302
75
R3303
75
R3301
10
C3905
220/6.3V
C3901
1
C3177
D3901
MM5Z5V6B
4
JI
3
2
L
1
GH K
DIGITAL MAIN CBA UNIT
DIGITAL
SIGNAL
PROCESS
TO DIGITAL
MAIN 6
IC3005(6/6)
TO DIGITAL
MAIN 1
IC3005(1/6)
TO DIGITAL
MAIN 5
IC3005(5/6)
(BUFFER GATE)
(BUFFER GATE)
CONTINUE
DIGITAL 4
DIGITAL SIGNAL PROCESS
/MAIN MICRO CONTROLLER
SW
A/D
CONVERTER
DEMODULATOR
/MPEG
DECODER
AUDIO(L)-IN
AUDIO(R)-IN
COMPONENT
-Pr-IN
COMPONENT
-Pb-IN
COMPONENT
-Y/VIDEO-IN
CONTINUE
DIGITAL 3
CONTINUE
DIGITAL 5
CONTINUE
DIGITAL 5
CONTINUE
DIGITAL 6(BUFFER)
(BUFFER)
(BUFFER)
DIGITAL
AUDIO-OUT
(COAXIAL)
TO DIGITAL
MAIN 3
IC3005(3/6)
TO DIGITAL
MAIN 3
IC3005(3/6)
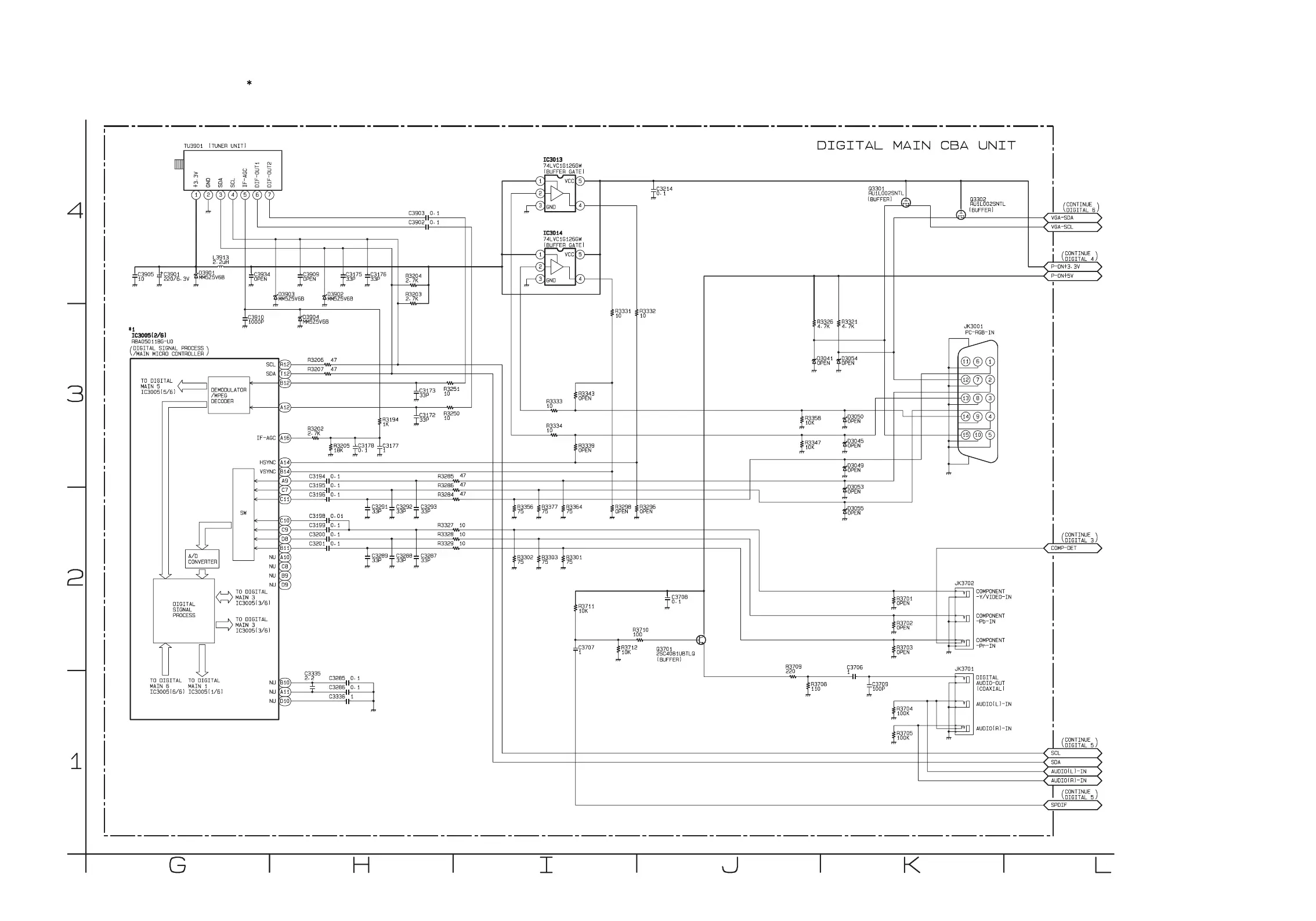
Digital Main 2 Schematic Diagram [TYPE A]
FL13.8ASCD2
The order of pins shown in this diagram is different from that of actual IC3005.
IC3005 is divided into six and shown as IC3005 (1/6) ~ IC3005 (6/6) in this Digital Main Schematic Diagram Section.
1 NOTE:

Related product manuals