EasyManua.ls Logo

FUNAI LF320FX4F - Block Diagrams

FUNAI LF320FX4F
83 pages
Print Icon
To Next Page IconTo Next Page
To Next Page IconTo Next Page
To Previous Page IconTo Previous Page
To Previous Page IconTo Previous Page
Loading...
9-1
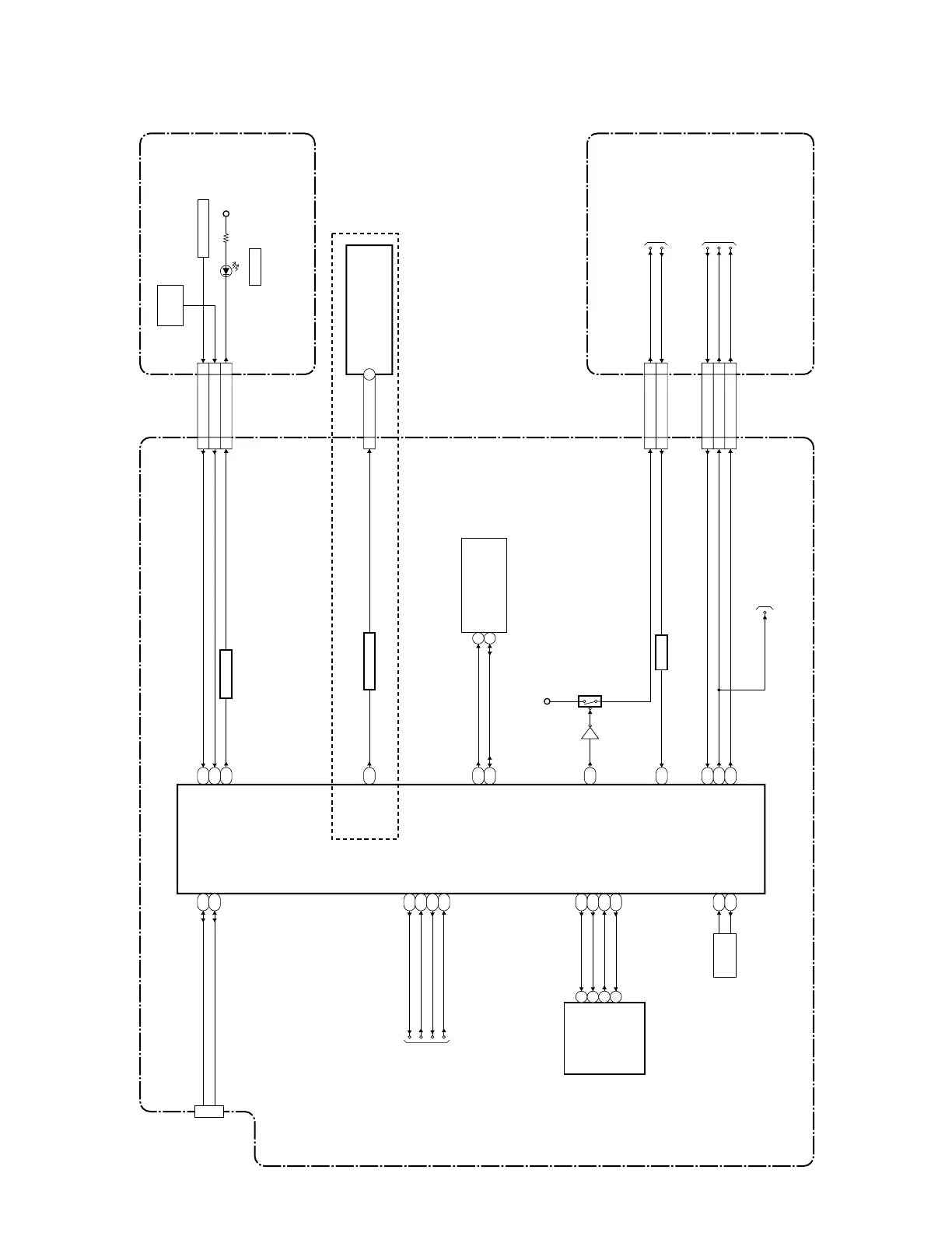
TO
LED BACKLIGHT DRIVE
BLOCK DIAGRAM
TO
POWER SUPPLY
BLOCK DIAGRAM
RESET
P-ON-H2
CN3701
CN3701
Q3006
Q3005
PROTECT3
BACKLIGHT-SW
BACKLIGHT-ADJ
FUNCTION CBA UNIT
POWER SUPPLY CBA
CN501
CN501
AL+3.3V
R12
IC3005
(MAIN MICRO CONTROLLER)
DIGITAL MAIN CBA UNIT
XOUT25
XIN25
X3001
25MHz
OSC
H15
H16
PROTECT3
B13
RESET
J15
KEY-IN1
A15
BACKLIGHT-SW
E2
LED1
D14
VCOM-PWM
F2
P-ON-H2
B16
REMOTE
C14
F3
BACKLIGHT-ADJ
IC3006 (MEMORY)
SCK
SI
SO
T11
P11
R11
P12
6
5
2
1
T12
SCL
SDA
CS
SCK
SIN
SOUT
CS
TO VIDEO/AUDIO
BLOCK DIAGRAM
TO
VIDEO/AUDIO
BLOCK DIAGRAM
AUDIO-MUTE
AUDIO-MUTE
C1
COMP-DET
COMP-DET
N12
HP-MUTE
HP-MUTE
G13
HP-DET
HP-DET
K16
SCL
SDA
4
3
TU3901 (TUNER UNIT)
REMOTE
SENSOR
RS4051
AL+3.3V
D4051
POWER
LF320EM4 (Serial No.: DS1),
LF320EM4F (Serial No.: DS1),
LF320FX4F (Serial No.: DS1, DS2, ME1)
KEY-IN1
REMOTE
LED1
4
4
5 5
6
6
CN3101
VCOM-PWM
27
CN3006
CN4052
Q3501, Q3502
LED DRIVE
Q3007
VCOM DRIVE
IC3009
RESET
BACKLIGHT-SW
KEY SWITCH
6 6
4
3
5
7
4
3
5
7
P-ON-H2
RESET
PROTECT3
BACKLIGHT-SW
BACKLIGHT-ADJ
R10
T10
CN3009
USBDN
USBDP
USBDN
USBDP
USB JACK
LCD PANEL ASSEMBLY
BLOCK DIAGRAMS
FL13.8BLS
1. System Control Block Diagram

Related product manuals