EasyManua.ls Logo

FUNAI WV806 - Page 26

FUNAI WV806
65 pages
Print Icon
To Next Page IconTo Next Page
To Next Page IconTo Next Page
To Previous Page IconTo Previous Page
To Previous Page IconTo Previous Page
Loading...
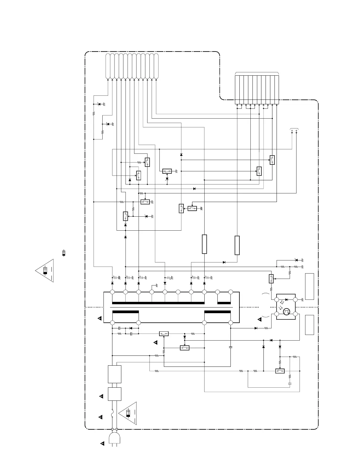
1-11-4
Power Supply Block Diagram
AC1001
F1001
1A 250V
LINE
FILTER
L1001
D1001 - D1004
BRIDGE
RECTIFIER
2
4
Q1001
Q1003
Q1008
8
7
1
23
4
IC1001
ERROR
VOLTAGE DET
T001
Q055
Q052
Q056
MAIN CBA
HOT CIRCUIT. BE CAREFUL.
20
19
18
17
16
15
14
13
12
11
Q1006
Q1005
Q1011
Q031
1 EV+1.2V
2 EV+1.2V
3 EV+3.3V
4 EV+3.3V
5 EV+3.3V
7 DVD-P-ON+5V
8 EV+10V
9 EV+10V
6
DVD-P-ON+3.3V
17 PWRCON
IC1004
+3.3V REG.
IC1002
+1.2V REG.
CN1001
Q1004
P-ON+5V
DVD-P-ON+12V
AL+18V
EV+3.3V
DVD-P-ON+3.3V
AL+33V
P-ON+9V
AL-30V
AL+12V
TIMER+5V
AL+5V
DVD-P-ON+5V
TO DVD MAIN
CBA UNIT
CN401
TO
SERVO/SYSTEM
CONTROL
BLOCK DIAGRAM
P-ON-L
P-DOWN-H
Q063
Q064
HOT COLD
A V
F
CAUTION !
Fixed voltage (or Auto voltage selectable) power supply circuit is used in this unit.
If Main Fuse (F1001) is blown , check to see that all components in the power supply
circuit are not defective before you connect the AC plug to the AC power supply.
Otherwise it may cause some components in the power supply circuit to fail.
NOTE:
The voltage for parts in hot circuit is measured using
hot GND as a common terminal.
"Ce symbole reprèsente un fusible à fusion rapide."
CAUTION !
For continued protection against fire hazard,
replace only with the same type fuse.
ATTENTION : Pour une protection continue les risqes
d'Incele n'utiliser que des fusible de même type.
Risk of fire-replace fuse as marked.
"This symbol means fast operating fuse."
A V
F
E8C1SBLP

Related product manuals