EasyManua.ls Logo

FUNAI WV806 - Page 27

FUNAI WV806
65 pages
Print Icon
To Next Page IconTo Next Page
To Next Page IconTo Next Page
To Previous Page IconTo Previous Page
To Previous Page IconTo Previous Page
Loading...
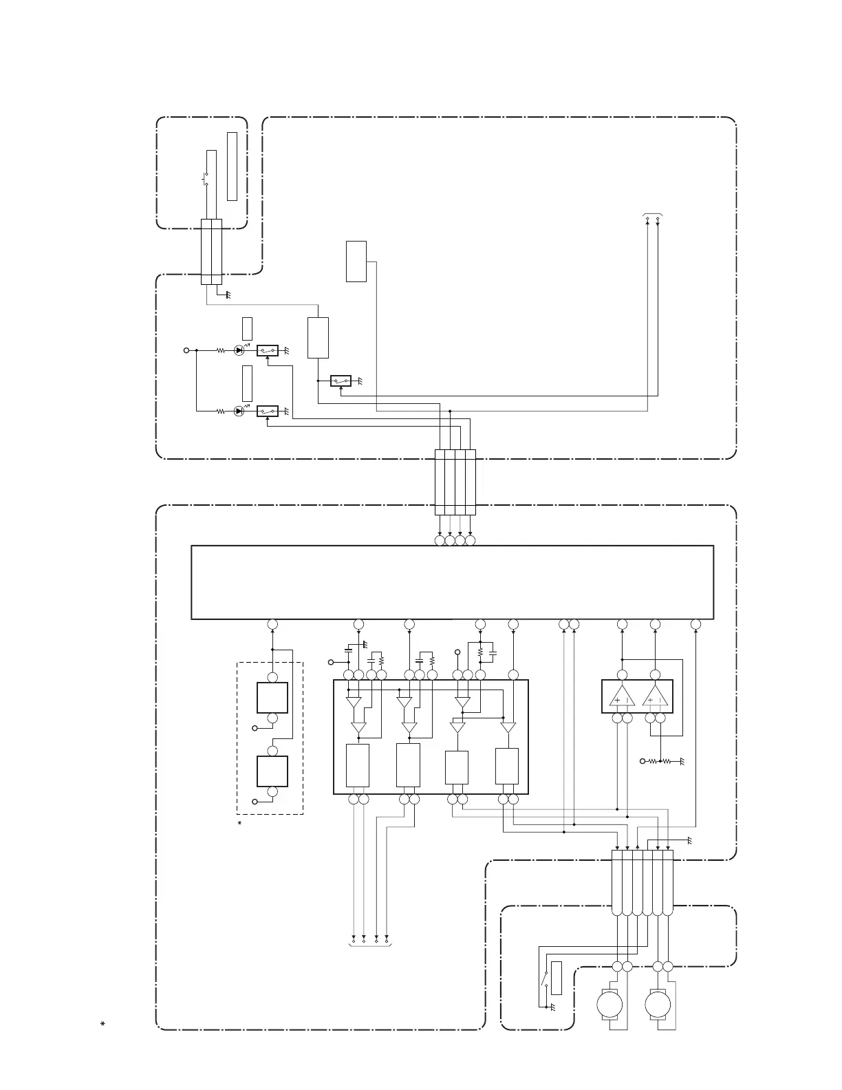
1-11-5
BLOCK DIAGRAMS <DVD SECTION>
E8C1SBLSD
DVD System Control / Servo Block Diagram
REMOTE
SENSOR
KEY
SWITCH
RM2001
MAIN CBA
TO SERVO/SYSTEM
CONTROL BLOCK
DIAGRAM
<VCR SECTION>
DVD-POWER
CN401 CN1001
Q2002 Q2013
Q2003
AL+5V
D2001
DISCIN-L
D2002
PLAY
SW2001
CN2002CN2003
DVD-OPEN/CLOSE
1 GND
1
2
DVD-OPEN/CLOSE
2
DVD OPEN/CLOSE CBA
REMOTE-VIDEO
18 KEY-SCAN 18
19 REMOTE 19
20 DISCIN-L
20
21 PLAY 21
IC301
(SERVO DRIVE)
CN302
M
SLED
MOTOR
M
SPINDLE
MOTOR
IC101
(MICRO CONTROLLER)
+
-
+
-
+
-
+
-
+
-
+
-
+
-
SPINDLE
MOTOR
DRIVE
TRACKING
ACTUATOR
DRIVE
SLED
MOTOR
DRIVE
FOCUS
ACTUATOR
DRIVE
172
TRAY-IN
SPINDLE DRIVE
176
FOCUS DRIVE
175
SLED DRIVE
173
TRACKING DRIVE
181
TS(+)
TS(-)
FS(+)
FS(-)
TRAY-IN
6SP(+)
5SP(-)
1TRAY-IN
4GND
3SL(-)
2SL(+)
VREF
RESET83
RESET
IC107
1 3
+3.3V
IC302
(OP AMP)
15
16
14
13
12
11
17
18
23
6
4
5
3
1
2
25
24
27
26
183
SL-AMP
+3.3V
RESET
IC106
2 1
+3.3V
TO DIGITAL SIGNAL
PROCESS BLOCK
DIAGRAM
DRIVE CBA DVD MAIN CBA UNIT
6
7
5
2
1
3
93
REMOTE
84
DISCIN-L
85
PLAY
128
KEY-SCAN
127
SL-ADS
130
131
1
VREF
SP(+)
SP(-)
1 NOTE:
Either IC106 or IC107 is used for DVD MAIN CBA UNIT.

Related product manuals