EasyManua.ls Logo

FUNAI WV806 - Page 29

FUNAI WV806
65 pages
Print Icon
To Next Page IconTo Next Page
To Next Page IconTo Next Page
To Previous Page IconTo Previous Page
To Previous Page IconTo Previous Page
Loading...
1-11-7
E8C1SBLVD
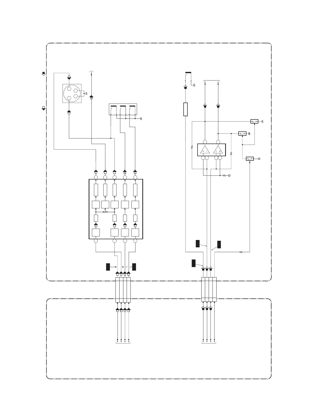
DVD Video / Audio Block Diagram
DIGITAL
AUDIO OUT
JK1202 (REAR)
BUFFER
Q1351
IC1201
Q1201
Q1202
VREF
(AMP)
CN601 CN1601
1
2
6
7
5
DVD AUDIO SIGNAL
EV+3.3V
Q1204
3
CN601
99VIDEO-Y
77VIDEO-C
11 11VIDEO-Pb/Cb
13 13VIDEO-Pr/Cr
JK1401 (REAR)
S-VIDEO OUT
CN1601
3 4
2
1
IC1402
(VIDEO DRIVER)
13
4dB
AMP
2dB
AMP
LPF DRIVER
YC
11
4dB
AMP
2dB
AMP
LPF DRIVER
6
10
4dB
AMP
2dB
AMP
LPF DRIVER
8
3
DVD VIDEO SIGNAL
VIDEO-Y
VIDEO-C
VIDEO-Pb/Cb
VIDEO-Pr/Cr
DVD-VIDEO
WF9
WF7
WF8
WF4
55
DVD-AUDIO(L)
3
3
DVD-AUDIO(R)
44
DVD-AUDIO-MUTE
1
1
SPDIF
DVD-AUDIO(L)
DVD-AUDIO(R)
WF5
VIDEO-Pb/Cb
OUT
VIDEO-Y
OUT
VIDEO-Pr/Cr
OUT
JK1403
TO DIGITAL
SIGNAL PROCESS
BLOCK DIAGRAM
MAIN CBA
DVD MAIN CBA UNIT
TO AUDIO
BLOCK DIAGRAM
<VCR SECTION>
TO VIDEO
BLOCK DIAGRAM
<VCR SECTION>
(REAR)
15
4dB
AMP
2dB
AMP
LPF DRIVER
1
14
2dB
AMP
DRIVER
SPDIF
DVD-AUDIO(L)
TO DIGITAL
SIGNAL PROCESS
BLOCK DIAGRAM
DVD-AUDIO(R)
DVD-AUDIO-MUTE

Related product manuals