EasyManua.ls Logo

FUNAI WV806 - Page 36

FUNAI WV806
65 pages
Print Icon
To Next Page IconTo Next Page
To Next Page IconTo Next Page
To Previous Page IconTo Previous Page
To Previous Page IconTo Previous Page
Loading...
1-12-7
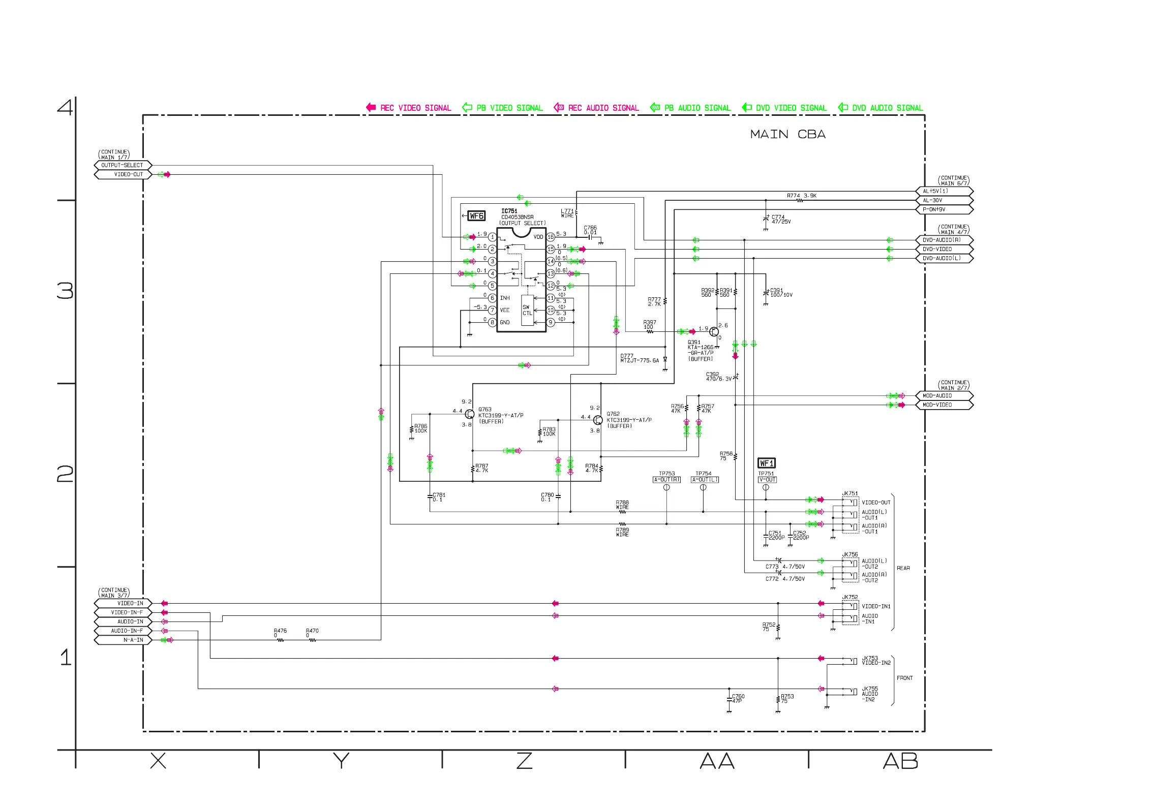
Main 5/7 Schematic Diagram < VCR Section >
E8C1SSCM5

Related product manuals