EasyManua.ls Logo

FUNAI WV806 - Page 37

FUNAI WV806
65 pages
Print Icon
To Next Page IconTo Next Page
To Next Page IconTo Next Page
To Previous Page IconTo Previous Page
To Previous Page IconTo Previous Page
Loading...
1-12-8
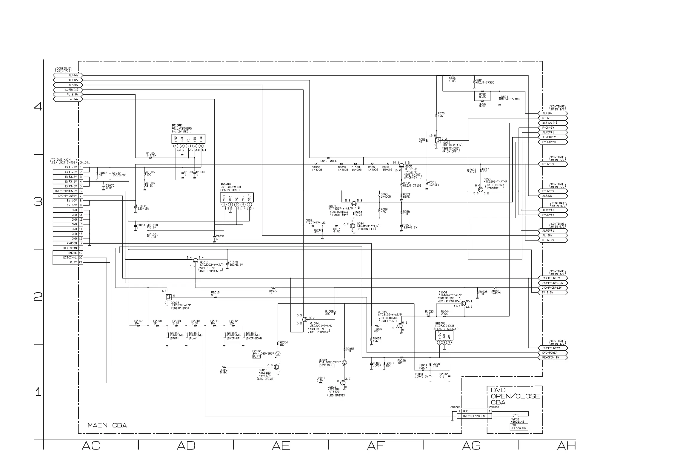
Main 6/7 & DVD Open/Close Schematic Diagram < VCR Section >
E8C1SSCM6

Related product manuals