EasyManua.ls Logo

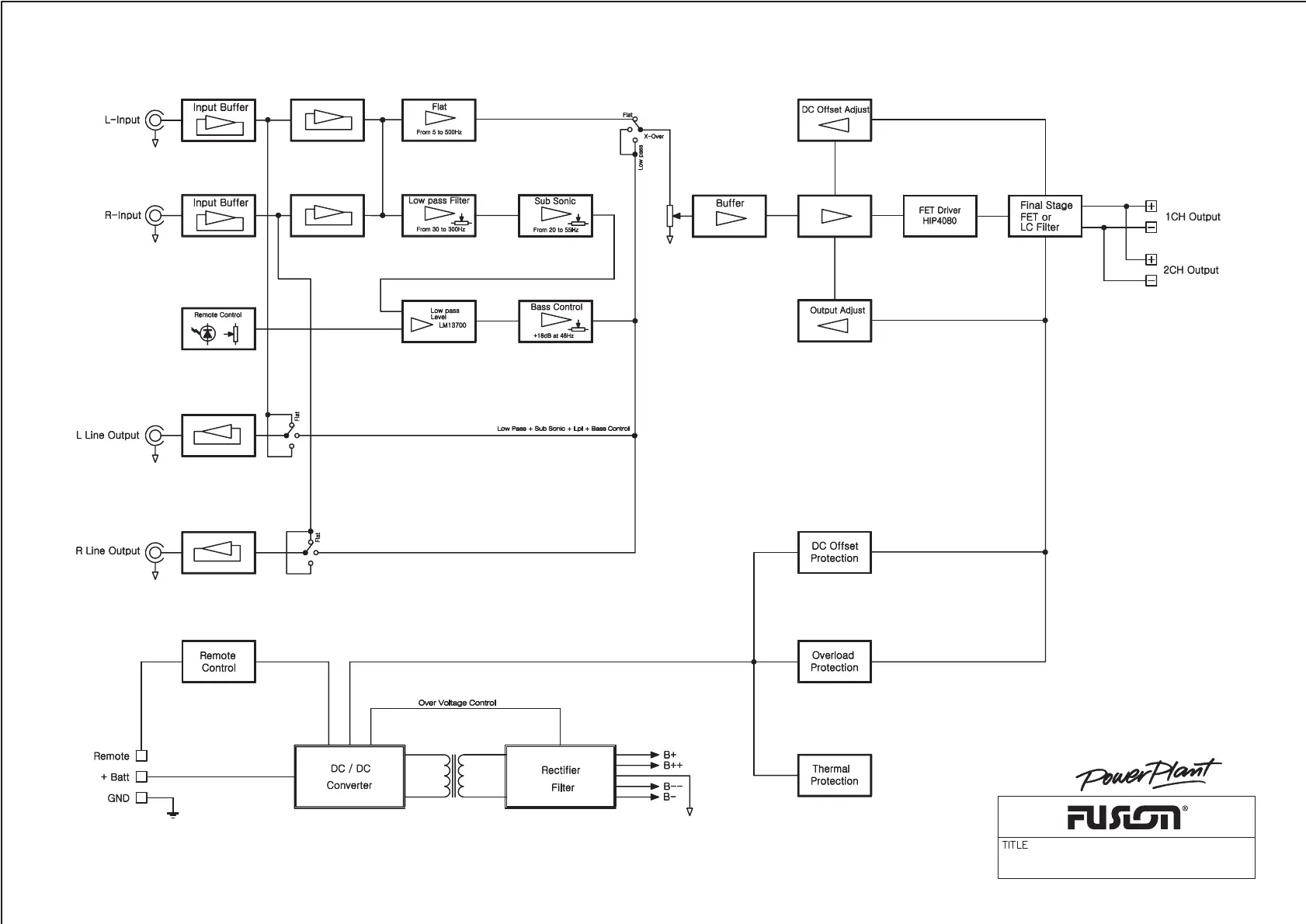
Fusion PowerPlant fp Series - Block Diagram

Fusion PowerPlant fp Series
27 pages
Print Icon
To Next Page IconTo Next Page
To Next Page IconTo Next Page
To Previous Page IconTo Previous Page
To Previous Page IconTo Previous Page
Loading...
fp-9001d BLOCK DIAGRAM
fp-9001d

Related product manuals