EasyManua.ls Logo

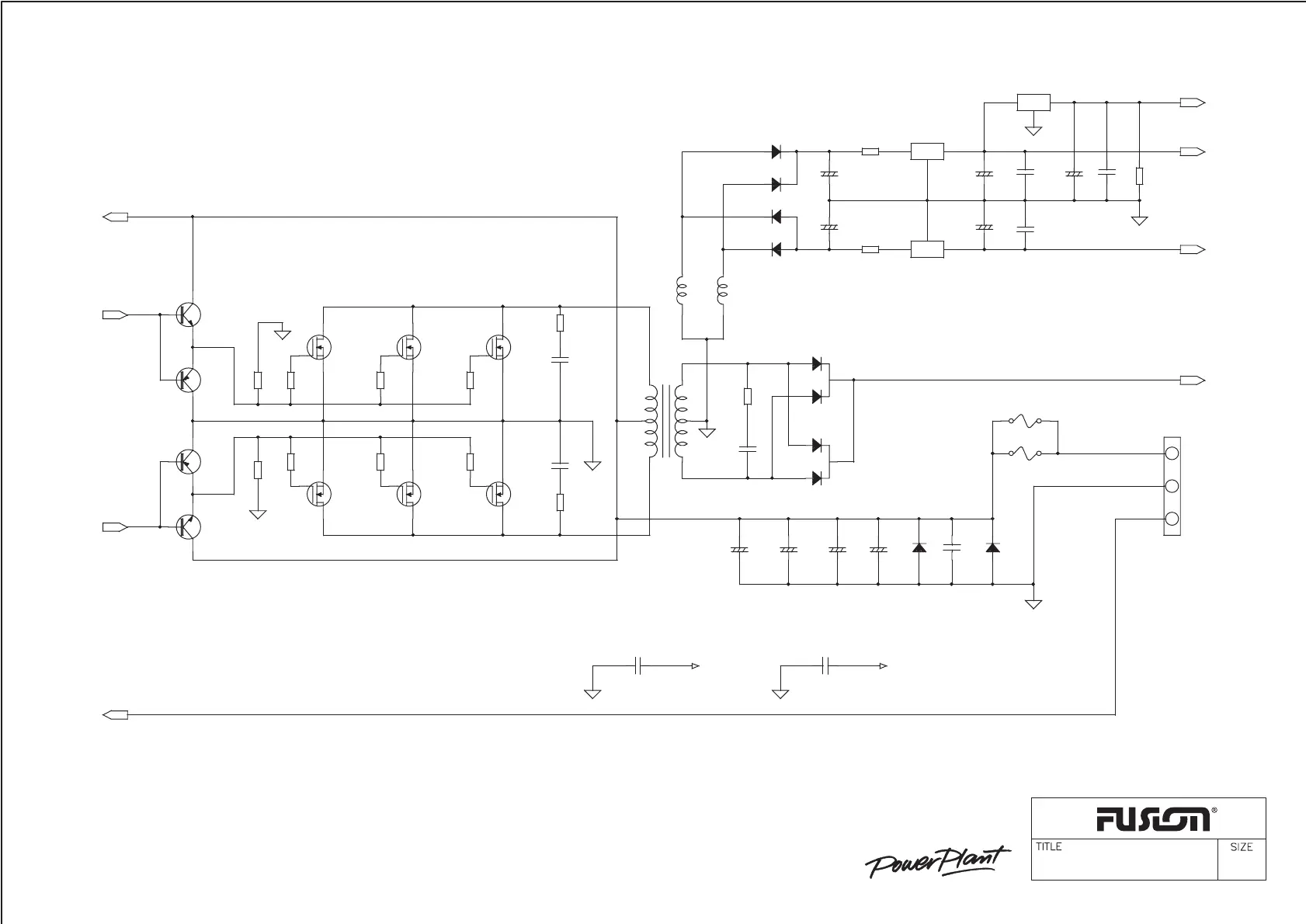
Fusion PowerPlant fp Series - PWM2 Circuit Diagram

Fusion PowerPlant fp Series
27 pages
To Next Page IconTo Next Page
To Next Page IconTo Next Page
To Previous Page IconTo Previous Page
To Previous Page IconTo Previous Page
Loading...
B+
GND
RM T
SSS
S
S
S
NOTE
1. C426 104M ADD (2001-12-22)
CH. GNDCH. GND
R425
10/1W
R426
10/1W
R427
22/1W
R428
22/1W
R429
22/1W
U18
7812P
C1X
224M
Q410
A1023
R420
47
R417
1K
R419
47
C413
224M
D411
1N5402
D409
U30D20C
D408
U30D20C
C426
104M
TER2
3P TER
1
2
3
FUSE1
40A
FUSE2
40A
1 2
T1
13
46
2 5
1 2
R418
1K
R424
47
Q409
C1027
Q411
A1023
Q412
C1027
Q413
IRFP064N
Q414
IRFP064N
Q415
IRFP064N
Q416
IRFP064N
Q417
IRFP064N
Q418
IRFP064N
C404
472M
+
C409
2200/25
+
C410
2200/25
+
C411
2200/25
+
C412
2200/25
+
C415
220/16
C416
104M
C417
104M
+
C418
10/16
C419
104M
D410
1N5402
U16
7912P
U17
78L06
R430
10K
+
C414
220/16
D404
FR104
D405
FR104
D406
FR104
D407
FR107
C408
102M
C405
472M
R423
47
R422
47
R421
47
+
C406
1000/35
+
C407
1000/35
FET_A (PWM_11)
FET_B (PWM_12)
REMOT
B+ POWER
VCC
-12V
+12V
6V
fp-9001d PWM2
fp-9001d
CUSTOM

Related product manuals