EasyManua.ls Logo

FXA HCM450 - Page 96

FXA HCM450
98 pages
Print Icon
To Next Page IconTo Next Page
To Next Page IconTo Next Page
To Previous Page IconTo Previous Page
To Previous Page IconTo Previous Page
Loading...
95
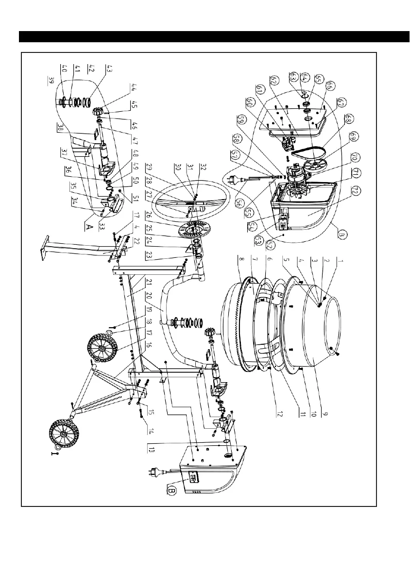
RYSUNEK SCHEMATYCZNY CZĘŚCI