EasyManua.ls Logo

GAPOSA M3A - Page 28

Default Icon
Print Icon
To Next Page IconTo Next Page
To Next Page IconTo Next Page
To Previous Page IconTo Previous Page
To Previous Page IconTo Previous Page
Loading...
28
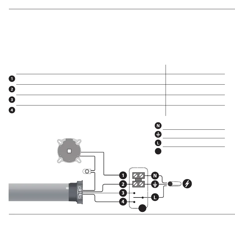
Cablaggio con motore monofase con/senza manovra di soccorso
Cable for 1 phase motor with/without manual override
Câblage avec motorisation monophasée avec/sans manoeuvre de secours
Verkabelung mit Einphasenmotor mit/ohne Not-Handbedienung
Cableado con motor monofásico con/sin maniobra de auxilio
SCHEMA DI COLLEGAMENTO / ELECTRICAL CONNECTION
BRANCHEMENT ELECTRIQUE / CONEXION ELECTRICA / ELEKTRISCHE VERBINDUNG
Paracadute
SafetyBrake
Parachute
Fangvorrichtung
Paracaídas
230 V~ / 50 Hz
120 V~ / 60 Hz
Alimentazione
Power supply
Alimentation
Versorgung
Alimentacción
P
P
230 V~ / 50 Hz 120 V~ / 60 Hz
Neutro-Neutral-Neutre-Neutral-Neutral Blu-Blue-Bleu-Blau-Azul Bianco-White-Blanc-Weiß-Blanco
Terra-Ground-Terre-Erde-Tierra
Giallo/Verde-Yellow/Green-Jaune/Vert
Gelb/Grün-Amarillo/Verde
Verde-Green-Vert-Grün-Verde
Versorotazione1-Directionofrotation1
Sensderotation1-Sentidoderotación1-Drehrichtung1
Marrone-Brown-Marron
Braun-Marrón
Rosso-Red-Rouge-Rot-Rojo
Versorotazione2-Directionofrotation2
Sensderotation2-Sentidoderotación2-Drehrichtung2
Nero-Black-Noir
Schwarz-Negro
Nero-Black-Noir-Schwarz-Negro
Neutro-Neutral-Neutre-Neutral-Neutral
Terra-Ground-Terre-Erde-Tierra
Fase-Phase-Phase-Phase-Leitung
Pulsantiera-Pushbutton-Inverseur
Drucktaste-Pulsador

Related product manuals